服务热线
180-5003-0233
一种收银纸分切机的制作方法本实用新型涉及分切机技术领域,尤其涉及一种收银纸分切机。背景技术:收银纸,顾名思义,它是指收银机里使用的记录收银明细的纸卷,主要用于向顾客提供购物明细清单,用完......
一种电池箔分切机润滑剪切装置的制作方法本实用新型属于金属加工设备领域,具体涉及一种电池箔分切机润滑剪切装置。背景技术:目前在电池铝箔行业内,分切机剪切装置伺服圆刀在切边时润滑效果欠佳,出现端部毛刺,......
一种AGM隔板加工用全自动数控纸管精切机定位装置的制作方法本实用新型涉及一种定位装置,具体为一种agm隔板加工用全自动数控纸管精切机定位装置,属于定位装置应用技术领域。背景技术:agm隔板,即超细玻璃棉隔板,通常是由直......
一种切面平整的纸管精切机的制作方法本实用新型涉及纸管精切机技术领域,尤其是涉及一种切面平整的纸管精切机。背景技术:圆管在现在的工业中运用比较广泛,针对于各个领域的需要需将圆管裁剪成不同的长度,尤......
一种三轴全自动调刀定位多刀纸管精切机及其切刀机构的制作方法本实用新型涉及三轴纸管精切机及其切刀机构,更具体的说,它涉及一种三轴全自动调刀定位多刀纸管精切机及其切刀机构。背景技术:目前市场上使用的多刀纸管切管机,都是单模......
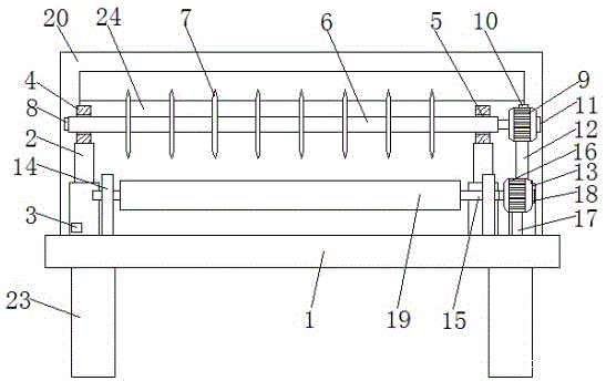
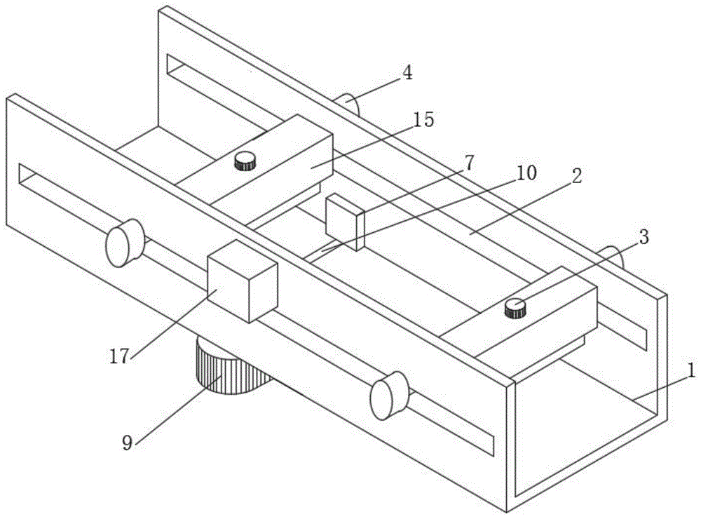
一种数控纸管精切机的滑轨防护结构的制作方法本实用新型涉及纸管生产技术领域,具体为一种数控纸管精切机的滑轨防护结构。背景技术:纸管精切机是斜卷机的配套设备,它的主要目的是将纸管进行二次精确切割,目前有两种......
一种纸管精切机用脱料结构的制作方法本技术属于纸管加工,具体涉及一种纸管精切机用脱料结构。背景技术:1、纸管精切机是纸管加工过程中的常用设备,其通过将纸管固定于定位杆之上,利用切割刀片对其进行分切......
一种基于PLC控制系统的全自动胶带分切机的制作方法本实用新型涉及胶带生产设备技术领域,具体为一种基于PLC控制系统的全自动胶带分切机。背景技术:PLC控制系统是可编程逻辑控制器,专为工业生产设计的一种数字运算操......
生料带,Green Tape英语短句,例句大全生料带,Green Tape1)Green Tape生料带1.Development On Green Tapes Of CaO-B_2O_3-SiO_2 Sy......
色带,Ribbon英语短句,例句大全色带,Ribbon1)Ribbon[英]['rɪbən][美]['rɪbən]色带1.The Mechanical And Electrocircuit Des......
用于不干胶分切机的收卷装置的制作方法本实用新型涉及一种用于不干胶分切机的收卷装置。背景技术:目前,不干胶使用越来越广泛。现有的不干胶主要包括表层和胶层两个部分,其中,胶层涂布于表层的一侧。现有生产......
一种胶带分切机刀距可调装置的制作方法本实用新型涉及分切机技术领域,具体为一种胶带分切机刀距可调装置。背景技术:分切机是一种将宽幅纸张、云母带或薄膜分切成多条窄幅材料的机械设备,常用于造纸机械、电线......
一种胶带分切机消音放料装置的制作方法本发明属于胶带分切机技术领域,具体涉及一种胶带分切机消音放料装置。背景技术:胶带是由基材和粘结剂两部分组成,通过粘接使两个或多个不相连的物体连接在一起。其表面上......
一种OCA光学胶分切机的切刀装置的制作方法本实用新型涉及OCA光学胶分切技术领域,具体为一种OCA光学胶分切机的切刀装置。背景技术:分切机是一种将宽幅纸张、云母带或薄膜分切成多条窄幅材料的机械设备,常用......
打印色带,Print Ribbon英语短句,例句大全打印色带,Print Ribbon1)Print Ribbon打印色带英文短句/例句1.Application Of Inking Aid In Inking ......