服务热线
180-5003-0233
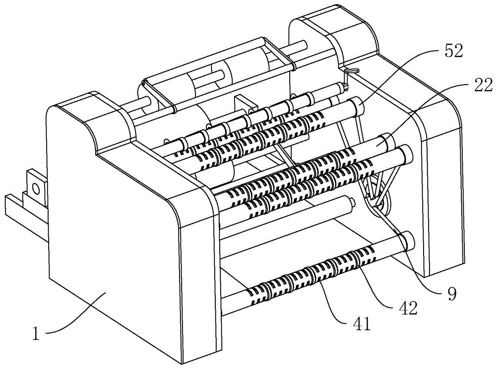
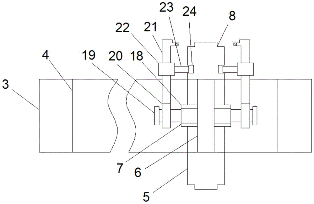
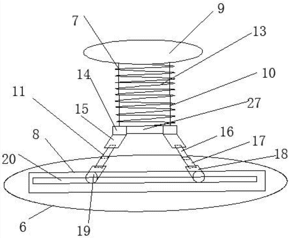
一种塑料膜分切机机械式涨轴收边机的制作方法1.本实用新型涉及塑料膜加工技术领域,具体为一种塑料膜分切机机械式涨轴收边机。背景技术:2.在塑料膜加工时,会用到分切机对塑料膜进行分切,而塑料薄膜边料收卷机是......
一种PVC膜生产用可自动收膜的分切机的制作方法本实用新型涉及分切机技术领域,具体为一种PVC膜生产用可自动收膜的分切机。背景技术:现有的PVC膜生产过程中需要对PVC膜进行切割,在分切机进行切割时,分切机将......
常用的软包装用包装薄膜有哪些常用的软包装用包装薄膜有:PE(聚乙烯)薄膜、CPP(未拉伸聚丙烯)薄膜、VMCPP(镀铝未拉伸聚丙烯)薄膜、OPP(双向拉伸聚丙烯)薄膜、KOP(涂层双向拉伸......
PET薄膜在电子领域的应用光学级PET保护膜具备低雾度和高透光度、表面光滑度高、薄厚尺寸公差小等优异的光学特性,关键用以高档液晶显示屏器械中的外扩散膜、提亮膜、反射膜、防静电保护膜、触摸......
一种防噪音薄膜分切机的制作方法本实用新型涉及机械设备技术领域,具体来说,涉及一种防噪音薄膜分切机。背景技术:分切机是一种将宽幅纸张或薄膜分切成多条窄幅材料的机械设备,常用于造纸机械及印刷包装......
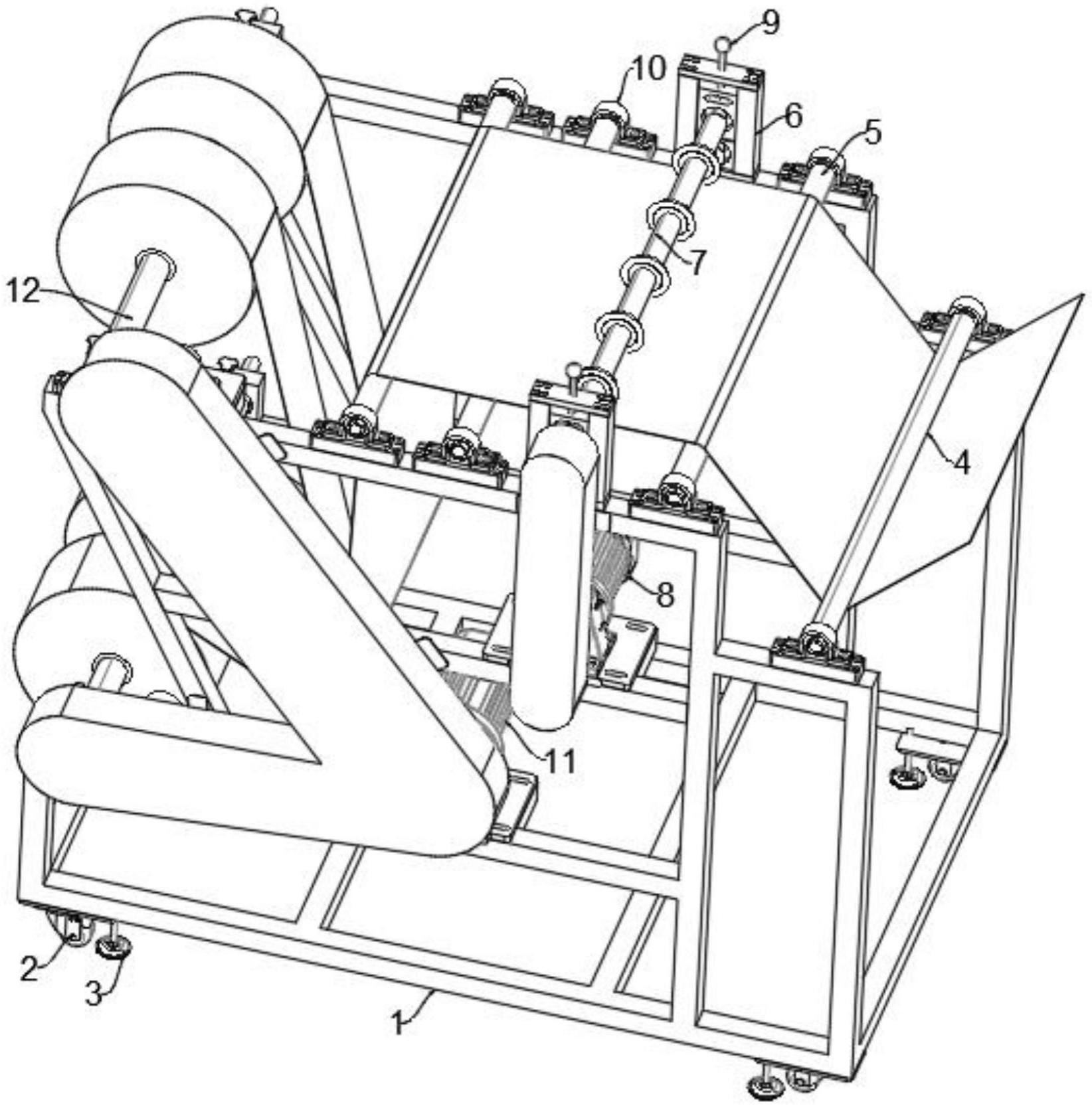
收卷轴可翻转的薄膜分切机的制作方法本发明涉及分切机领域,具体为一种收卷轴可翻转的薄膜分切机。背景技术:分切机是一种将宽幅纸张、云母带或薄膜分切成多条窄幅材料的机械设备,常用于造纸机械、电线电缆云......
一种食品包装膜生产用分切机的制作方法1.本实用新型属于分切机技术领域,尤其涉及一种食品包装膜生产用分切机。背景技术:2.分切机是一种将宽幅纸张、云母带或薄膜分切成多条窄幅材料的机械设备,现有的食品......
一种除静电的薄膜分切机的制作方法本实用新型涉及薄膜加工设备技术领域,尤其是涉及一种除静电的薄膜分切机。背景技术:薄膜分切机是由放卷机构、切割机构、收卷机构、各功能辊以及张力控制、纠偏控制和检测......
一种铜箔高精度分切装置的制作方法1.本实用新型属于铜箔分切技术领域,具体涉及一种铜箔高精度分切装置。背景技术:2.铜箔分切是将生产出来的铜箔按照客户的需求来进行分切,是铜箔生产工序中必不可少的......
一种铜箔分切装置的制作方法本实用新型是一种铜箔分切装置,属于铜箔分切设备领域。背景技术:铜箔是一种阴质性电解材料,沉淀于电路板基底层上的一层薄的、连续的金属箔,它作为PCB的导电体。它容......
一种高效率高质量锂离子动力电池用铝箔分切的生产工艺的制作方法1.本发明属于电池铝箔分切技术领域,特别涉及一种高效率高质量锂离子动力电池用铝箔分切的生产工艺。背景技术:2.电池用铝箔是指应用于生产各类电池的铝箔产品,主要应......
一种用于导电薄膜的分切机装置的制作方法1.本实用新型涉及导电薄膜加工设备及分切机设备技术领域,具体涉及一种用于导电薄膜的分切机装置。背景技术:2.随着科技的发展,分切机的应用也越来越广,特别塑料薄膜......
一种铜箔分切夹紧固定装置的制作方法1.本实用新型属于铜箔分切技术领域,具体涉及一种铜箔分切夹紧固定装置。背景技术:2.铜箔分切是将生产出来的铜箔按照客户的需求来进行分切,是铜箔生产工序中必不可少......
一种维修方便的超薄铜箔分切机的制作方法1.本实用新型涉及一种超薄铜箔分切机,特别涉及一种维修方便的超薄铜箔分切机。背景技术:2.分切机是一种将宽幅纸张、云母带或薄膜分切成多条窄幅材料的机械设备,常用......
一种铝箔精分切机的制作方法本实用新型涉及铝箔加工设备领域,特别是涉及一种铝箔精分切机。背景技术:铝箔分切机主要是用于将宽度较大的铝箔卷材按照需求进行裁切分成宽度较小的铝箔卷材,而目前的铝......