服务热线
180-5003-0233

1.本实用新型属于分切机技术领域,尤其涉及一种食品包装膜生产用分切机。
背景技术:
2.分切机是一种将宽幅纸张、云母带或薄膜分切成多条窄幅材料的机械设备,现有的食品包装膜的生产加工就需要用分切机中的切刀机构将包装膜进行切割成长条状,再通过卷绕装置进行收卷。
3.目前,现有的分切机在对食品包装膜进行分切时,其切刀会与托住包装膜的托辊表面接触,容易对托辊造成损坏,影响托辊的使用寿命,提高了生产成本,同时,由于对托辊造成磨损,容易影响包装膜前移的稳定性,从而影响分切质量。
技术实现要素:
4.本实用新型目的在于提供一种食品包装膜生产用分切机,以解决背景技术中所提出的技术问题。
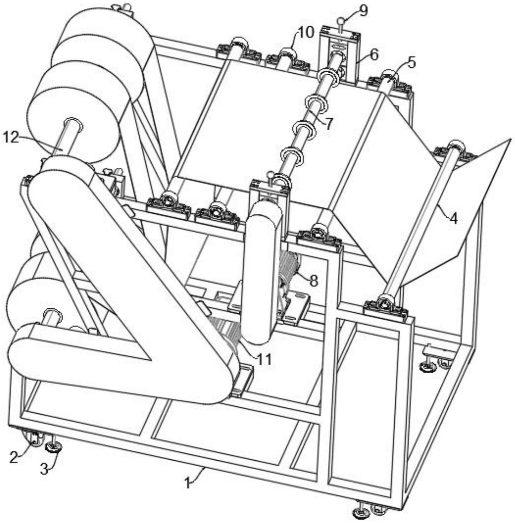
5.为实现上述目的,本实用新型的具体技术方案如下:一种食品包装膜生产用分切机,包括可移动的支撑架,所述支撑架从右到左依次设置有第一导辊、第二导辊、第三导辊及第四导辊,所述第二导辊与第三导辊之间位于支撑架的上表面两侧均设置有侧板,两个所述侧板之间设置有两个上下分布的刀轴及托辊,所述托辊的两端转动连接有固定座,所述刀轴的两端转动连接有活动座,所述侧板上设置有用于驱动刀轴进行上下移动的高度调节机构,且所述支撑架上设置有用于驱动托辊及刀轴同时转动的第一驱动机构,所述刀轴上及托辊上均套设有多个等间距一一对应分布的圆盘切刀及托盘,所述支撑架上位于第四导辊的左侧设置有两个上下分布的收卷轴,所述支撑架上设置有用于驱动两个收卷轴同时转动的第二驱动机构。
6.优选地,所述支撑架的底部四角处均设置有移动轮,且所述支撑架的底部四角处均螺纹连接有可上下移动的丝杆,所述丝杆的底部设置有固定盘。
7.优选地,所述第一导辊的高度低于第二导辊的高度,所述第三导辊设置有两个,两个所述第三导辊与第二导辊处于同一水平高度,且所述托盘的上表面与第二导辊的上表面平齐,所述第四导辊低于第一导辊。
8.优选地,所述高度调节机构包括螺杆,所述螺杆贯穿侧板的上表面,且所述螺杆通过轴承与侧板转动连接,所述侧板的表面设置有与活动座上下滑动连接的活动口,所述活动座的表面靠近顶端处设置有穿口,且所述活动座的上表面设置有螺纹孔,所述螺杆与螺纹孔螺纹连接,且所述螺杆的底部延伸至穿口内部。
9.优选地,所述第一驱动机构包括安装于支撑架上的第一电机,所述第一电机通过第一链条组件与托辊连接,且所述托辊的端部与刀轴的端部之间通过齿轮组连接。
10.优选地,所述圆盘切刀的边沿处与托盘的上表面边沿处接触。
11.优选地,所述第二驱动机构包括安装于支撑架上的第二电机,所述支撑架的上表
面位于收卷轴的一侧设置有连接轴,所述连接轴与收卷轴之间通过齿轮组连接,且所述第二电机通过两个第二链条组件分别与两个连接轴连接。
12.优选地,所述收卷轴的两端转动连接有轴承座,所述支撑架的上表面设置有用于包裹与轴承座外侧的l型座,所述l型座的上表面设置有螺纹孔,所述螺纹孔内螺纹连接有与轴承座表面接触的锁紧螺栓。
13.本实用新型的一种食品包装膜生产用分切机具有以下优点:
14.1.该一种食品包装膜生产用分切机,通过转动螺杆,在活动座上螺纹孔的作用下,使得活动座进行上下移动,从而便于对刀轴与托辊之间的间距进行调节,便于在工作时,使得包装膜穿过刀轴与托辊之间,且操作简单方便,实用性强。
15.2.该一种食品包装膜生产用分切机,通过启动第一电机,在第一链条组件的作用下,使得托辊转动,在齿轮组的作用下,使得刀轴转动,从而使得刀轴与托辊同时转动,使得在对包装膜裁切的过程中包装膜稳定的移动,包装膜的底部与托盘的上表面接触,此时圆盘切刀与托盘错开,使得圆盘切刀可对包装膜进行裁切,且不会对托盘造成损坏,同时由于圆盘切刀的侧壁与托盘的侧壁接触,从而保证了裁切的稳定性。
16.3.通过启动第二电机,在两个第二链条组件的作用下,使得两个连接轴转动,并在齿轮组的作用下,使得两个收卷轴同时转动,从而使得两个收卷轴对切开的包装膜进行收卷,通过一个电机即可完成两个收卷轴的运动,节省了成本,通过l型座、锁紧螺栓及螺纹孔之间的配合,便于快速对收卷轴进行安装与拆卸,提高了实用性。
17.4.通过移动轮的设置,便于对该装置进行移动,并在丝杆与固定盘之间的配合下,通过转动丝杆,使得丝杆带动固定盘下移并与地面接触,从而即可对该装置进行锁紧固定。
附图说明
18.为了更清楚地说明本实用新型实施方式的技术方案,下面将对实施方式中所需要使用的附图作简单地介绍,应当理解,以下附图仅示出了本实用新型的某些实施例,因此不应被看作是对范围的限定,对于本领域普通技术人员来讲,在不付出创造性劳动的前提下,还可以根据这些附图获得其他相关的附图。
19.图1为本实用新型的整体结构示意图;
20.图2为图1的前视图;
21.图3为本实用新型中高度调节机构的结构示意图;
22.图4为本实用新型中l型座的结构示意图;
23.图中标记说明:
1、支撑架;
2、移动轮;
3、固定盘;
4、第一导辊;
5、第二导辊;
6、侧板;
7、刀轴;
8、第一电机;
9、高度调节机构;
10、第三导辊;
11、第二电机;
12、收卷轴;
13、托辊;
14、第一链条组件;
15、连接轴;
16、第二链条组件;
17、第四导辊;
18、固定座;
19、活动座;
20、螺杆;
21、穿口;
22、托盘;
23、圆盘切刀;
24、l型座;
25、锁紧螺栓;
26、轴承座。
具体实施方式
24.在下文中,仅简单地描述了某些示例性实施例。
正如本领域技术人员可认识到的那样,在不脱离本实用新型实施例的精神或范围的情况下,可通过各种不同方式修改所描述的实施例。
因此,附图和描述被认为本质上是示例性的而非限制性的。
25.在本实用新型实施例的描述中,需要理解的是,术语“长度”、“竖直”、“水平”、“顶”、“底”等指示的方位或位置关系为基于附图所示的方位或位置关系,仅是为了便于描述本实用新型实施例和简化描述,而不是指示或暗示所指的装置或元件必须具有特定的方位、以特定的方位构造和操作,因此不能理解为对本实用新型实施例的限制。
26.此外,术语“第一”、“第二”仅用于描述目的,而不能理解为指示或暗示相对重要性或者隐含指明所指示的技术特征的数量。
由此,限定有“第一”、“第二”的特征可以明示或者隐含地包括一个或者更多个该特征。
在本实用新型实施例的描述中,“多个”的含义是两个或两个以上,除非另有明确具体的限定。
27.在本实用新型实施例中,除非另有明确的规定和限定,术语“安装”、“相连”、“连接”、“固定”等术语应做广义理解,例如,可以是固定连接,也可以是可拆卸连接,或成一体;可以是机械连接,也可以是电连接,还可以是通信;可以是直接相连,也可以通过中间媒介间接相连,可以是两个元件内部的连通或两个元件的相互作用关系。
对于本领域的普通技术人员而言,可以根据具体情况理解上述术语在本实用新型实施例中的具体含义。
28.下文的公开提供了许多不同的实施方式或例子用来实现本实用新型实施例的不同结构。
为了简化本实用新型实施例的公开,下文中对特定例子的部件和设置进行描述。
当然,它们仅仅为示例,并且目的不在于限制本实用新型实施例。
此外,本实用新型实施例可以在不同例子中重复参考数字和/或参考字母,这种重复是为了简化和清楚的目的,其本身不指示所讨论各种实施方式和/或设置之间的关系。
29.为了更好地了解本实用新型的目的、结构及功能,下面结合附图,对本实用新型一种食品包装膜生产用分切机做进一步详细的描述。
30.如图
1-4所示,本实用新型的一种食品包装膜生产用分切机,包括可移动的支撑架1,支撑架1的底部四角处均设置有移动轮2,且支撑架1的底部四角处均螺纹连接有可上下移动的丝杆,丝杆的底部设置有固定盘
3,通过移动轮2的设置,便于对该装置进行移动,并在丝杆与固定盘3之间的配合下,通过转动丝杆,使得丝杆带动固定盘3下移并与地面接触,从而即可对该装置进行锁紧固定。
支撑架1从右到左依次设置有第一导辊
4、第二导辊
5、第三导辊
10及第四导辊
17,第一导辊4的高度低于第二导辊5的高度,第三导辊
10设置有两个,两个第三导辊
10与第二导辊5处于同一水平高度,且托盘
22的上表面与第二导辊5的上表面平齐,第四导辊
17低于第一导辊
4,包装膜的头部从第一导辊4的底部缠绕、并从第二导辊5的上表面缠绕,穿过刀轴7与托辊
13之间,再与两个第三导辊
10的上表面接触,向下与第四导辊
17的底部缠绕,最后分别缠绕与上下两个收卷轴12上。
第二导辊5与第三导辊
10之间位于支撑架1的上表面两侧均设置有侧板6,两个侧板6之间设置有两个上下分布的刀轴7及托辊
13,托辊
13的两端转动连接有固定座
18,刀轴7的两端转动连接有活动座
19,侧板6上设置有用于驱动刀轴7进行上下移动的高度调节机构9,高度调节机构9包括螺杆
20,螺杆
20贯穿侧板6的上表面,且螺杆
20通过轴承与侧板6转动连接,侧板6的表面设置有与活动座
19上下滑动连接的活动口,活动座
19的表面靠近顶端处设置有穿口
21,且活动座
19的上表面设置有螺纹孔,螺杆
20与螺纹孔螺纹连接,且螺杆
20的底部延伸至穿口
21内部,通过转动螺杆
20,在活动座
19上螺纹孔的作用下,使得活动座
19进行上下移动,从而便于对刀轴7与托辊
13之间的间距进行调节,便于在工作时,使得包装膜穿过刀轴7与托辊
13之间,且操作简单方便,实用性强。
31.支撑架1上设置有用于驱动托辊
13及刀轴7同时转动的第一驱动机构,第一驱动机构包括安装于支撑架1上的第一电机8,第一电机8通过第一链条组件
14与托辊
13连接,且托辊
13的端部与刀轴7的端部之间通过齿轮组连接,通过启动第一电机8,在第一链条组件
14的作用下,使得托辊
13转动,在齿轮组的作用下,使得刀轴7转动,从而使得刀轴7与托辊
13同时转动,使得在对包装膜裁切的过程中包装膜稳定的移动。
圆盘切刀
23的边沿处与托盘
22的上表面边沿处接触,包装膜的底部与托盘
22的上表面接触,此时圆盘切刀
23与托盘
22错开,使得圆盘切刀
23可对包装膜进行裁切,且不会对托盘
22造成损坏,同时由于圆盘切刀
23的侧壁与托盘
22的侧壁接触,从而保证了裁切的稳定性。
32.刀轴7上及托辊
13上均套设有多个等间距一一对应分布的圆盘切刀
23及托盘
22,支撑架1上位于第四导辊
17的左侧设置有两个上下分布的收卷轴
12,支撑架1上设置有用于驱动两个收卷轴
12同时转动的第二驱动机构,第二驱动机构包括安装于支撑架1上的第二电机
11,支撑架1的上表面位于收卷轴
12的一侧设置有连接轴
15,连接轴
15与收卷轴
12之间通过齿轮组连接,且第二电机
11通过两个第二链条组件
16分别与两个连接轴
15连接,通过启动第二电机
11,在两个第二链条组件
16的作用下,使得两个连接轴
15转动,并在齿轮组的作用下,使得两个收卷轴
12同时转动,从而使得两个收卷轴
12对切开的包装膜进行收卷,通过一个电机即可完成两个收卷轴
12的运动,节省了成本。
收卷轴
12的两端转动连接有轴承座
26,支撑架1的上表面设置有用于包裹与轴承座
26外侧的l型座
24,l型座
24的上表面设置有螺纹孔,螺纹孔内螺纹连接有与轴承座
26表面接触的锁紧螺栓
25,通过l型座
24、锁紧螺栓
25及螺纹孔之间的配合,便于快速对收卷轴
12进行安装与拆卸,提高了实用性。
33.可以理解,本实用新型是通过一些实施例进行描述的,本领域技术人员知悉的,在不脱离本实用新型的精神和范围的情况下,可以对这些特征和实施例进行各种改变或等效替换。
另外,在本实用新型的教导下,可以对这些特征和实施例进行修改以适应具体的情况及材料而不会脱离本实用新型的精神和范围。
因此,本实用新型不受此处所公开的具体实施例的限制,所有落入本技术的权利要求范围内的实施例都属于本实用新型所保护的范围内。
技术特征:
1.一种食品包装膜生产用分切机,其特征在于:包括可移动的支撑架
(1),所述支撑架
(1)从右到左依次设置有第一导辊
(4)、第二导辊
(5)、第三导辊
(10)及第四导辊
(17),所述第二导辊
(5)与第三导辊
(10)之间位于支撑架
(1)的上表面两侧均设置有侧板
(6),两个所述侧板
(6)之间设置有两个上下分布的刀轴
(7)及托辊
(13),所述托辊
(13)的两端转动连接有固定座
(18),所述刀轴
(7)的两端转动连接有活动座
(19),所述侧板
(6)上设置有用于驱动刀轴
(7)进行上下移动的高度调节机构
(9),且所述支撑架
(1)上设置有用于驱动托辊
(13)及刀轴
(7)同时转动的第一驱动机构,所述刀轴
(7)上及托辊
(13)上均套设有多个等间距一一对应分布的圆盘切刀
(23)及托盘
(22),所述支撑架
(1)上位于第四导辊
(17)的左侧设置有两个上下分布的收卷轴
(12),所述支撑架
(1)上设置有用于驱动两个收卷轴
(12)同时转动的第二驱动机构
。2.根据权利要求1所述的一种食品包装膜生产用分切机,其特征在于:所述支撑架
(1)的底部四角处均设置有移动轮
(2),且所述支撑架
(1)的底部四角处均螺纹连接有可上下移动的丝杆,所述丝杆的底部设置有固定盘
(3)。3.根据权利要求1所述的一种食品包装膜生产用分切机,其特征在于:所述第一导辊
(4)的高度低于第二导辊
(5)的高度,所述第三导辊
(10)设置有两个,两个所述第三导辊
(10)与第二导辊
(5)处于同一水平高度,且所述托盘
(22)的上表面与第二导辊
(5)的上表面平齐,所述第四导辊
(17)低于第一导辊
(4)。4.根据权利要求1所述的一种食品包装膜生产用分切机,其特征在于:所述高度调节机构
(9)包括螺杆
(20),所述螺杆
(20)贯穿侧板
(6)的上表面,且所述螺杆
(20)通过轴承与侧板
(6)转动连接,所述侧板
(6)的表面设置有与活动座
(19)上下滑动连接的活动口,所述活动座
(19)的表面靠近顶端处设置有穿口
(21),且所述活动座
(19)的上表面设置有螺纹孔,所述螺杆
(20)与螺纹孔螺纹连接,且所述螺杆
(20)的底部延伸至穿口
(21)内部
。5.根据权利要求1所述的一种食品包装膜生产用分切机,其特征在于:所述第一驱动机构包括安装于支撑架
(1)上的第一电机
(8),所述第一电机
(8)通过第一链条组件
(14)与托辊
(13)连接,且所述托辊
(13)的端部与刀轴
(7)的端部之间通过齿轮组连接
。6.根据权利要求1所述的一种食品包装膜生产用分切机,其特征在于:所述圆盘切刀
(23)的边沿处与托盘
(22)的上表面边沿处接触
。7.根据权利要求1所述的一种食品包装膜生产用分切机,其特征在于:所述第二驱动机构包括安装于支撑架
(1)上的第二电机
(11),所述支撑架
(1)的上表面位于收卷轴
(12)的一侧设置有连接轴
(15),所述连接轴
(15)与收卷轴
(12)之间通过齿轮组连接,且所述第二电机
(11)通过两个第二链条组件
(16)分别与两个连接轴
(15)连接
。8.根据权利要求1所述的一种食品包装膜生产用分切机,其特征在于:所述收卷轴
(12)的两端转动连接有轴承座
(26),所述支撑架
(1)的上表面设置有用于包裹与轴承座
(26)外侧的
l型座
(24),所述
l型座
(24)的上表面设置有螺纹孔,所述螺纹孔内螺纹连接有与轴承座
(26)表面接触的锁紧螺栓
(25)。
技术总结
本实用新型公开了一种食品包装膜生产用分切机,包括可移动的支撑架,所述支撑架从右到左依次设置有第一导辊
技术研发人员:徐晓韡 唐忠 陈丽华
受保护的技术使用者:浙江印亿包装印刷有限公司
技术研发日:2023.07.06
技术公布日:2023/12/29