服务热线
180-5003-0233
一种包装机械四边封双膜分切机构的制作方法1.本实用新型涉及包装机械技术领域,具体为一种包装机械四边封双膜分切机构。背景技术:2.包装机械是指能完成全部或部分产品和商品包装过程的机械,包装过程包括充填、......
一种PLA生物降解淋膜纸专用分切机的制作方法本实用新型涉及分切机技术领域,具体为一种pla生物降解淋膜纸专用分切机。背景技术:淋膜纸就是将塑料粒子通过流延机涂覆在纸张表面的复合材料,主要特点就是此复合材料......
一种铅酸蓄电池极板的分切机的制作方法1.本实用新型涉及电池极板加工的技术领域,特别是一种铅酸蓄电池极板的分切机。背景技术:2.电池极板是铅酸蓄电池主要组成部件,而连铸连轧法是电池极板生产的主要方法......
一种带电晕装置的电池箔分切机的制作方法本实用新型涉及一种带电晕装置的电池箔分切机。背景技术:现有的电池箔分切机不带有电晕装置,导致电池箔通过铝箔分切后成品的达因值与客户标准要求存在一定差别,达不到客......
覆膜在印刷行业中的作用众所周知,印刷品的印后覆膜是一项能明显提升印刷品质量的“美容术”,这个工艺家族成员众多,如:上光、涂布、凹凸(起拱)、烫金、全息图烫印、覆膜等等。而每一种加工工......
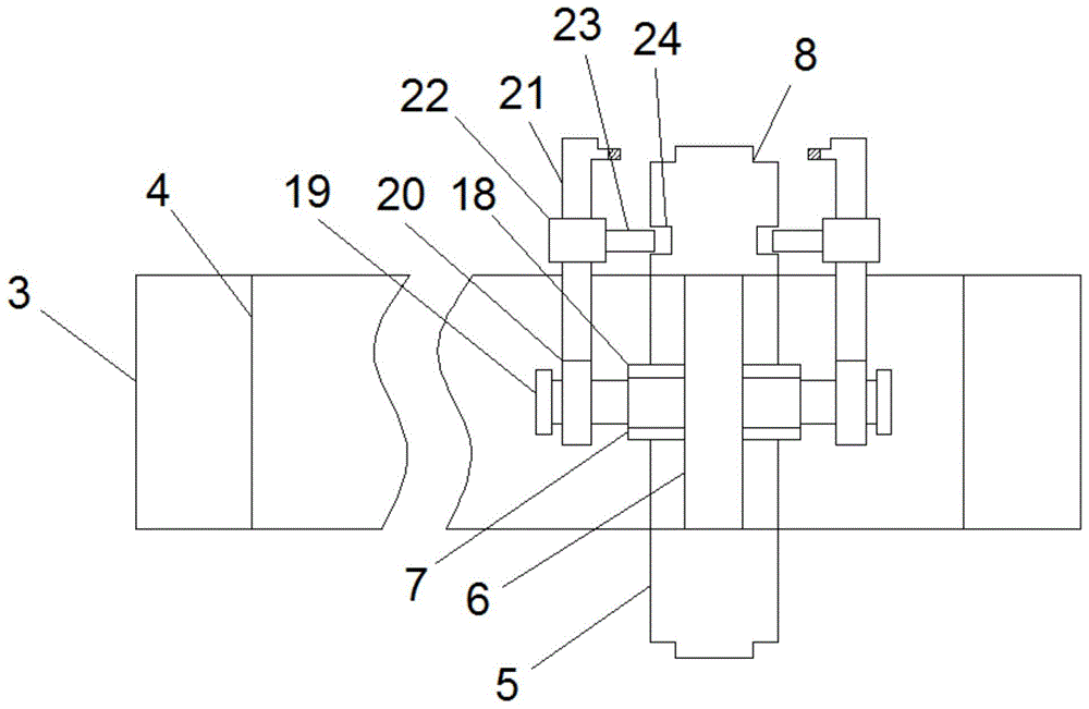
一种预涂膜分切机的压辊装置的制作方法1.本实用新型涉及压辊设备技术领域,尤其涉及一种预涂膜分切机的压辊装置。背景技术:2.预涂膜是将热熔胶预先涂布在不同的基材薄膜基材上,形成能够与纸质印刷品等材料......
一种生产POF热收缩膜的光控分切机的制作方法本实用新型涉及热收缩膜分切技术领域,尤其涉及一种生产pof热收缩膜的光控分切机。背景技术:pof是一种热收缩膜,主要用于包装规则和不规则形状的产品,由于其无毒环......
一种薄膜分切机摆动辊的控制结构的制作方法本实用新型涉及薄膜分切机技术领域,尤其涉及一种薄膜分切机摆动辊的控制结构。背景技术:现有的薄膜分切机在对材料进行分切时,母卷存在圆度不均,张力不均等问题,为了矫......
塑料薄膜分切机用辅助分切装置的制作方法1.本实用新型属于塑料薄膜生产分切技术应用设备领域,尤其涉及一种塑料薄膜分切机用辅助分切装置。背景技术:2.塑料薄膜,用聚氯乙烯、聚乙烯、聚丙烯、聚苯乙烯以及其......
保护膜单向拉伸和双向拉伸的区别保护膜的单向拉伸和双向拉伸,很多人都没有能明确分辨出来,很多人误以为单向拉伸就是从一侧拉伸,双向拉伸就是从两侧分别拉伸,其实不是这样子的。拉伸技术是在加热的塑料......
一种可提升分切质量的薄膜分切机的制作方法本实用新型涉及薄膜处理设备,尤其是涉及一种可提升分切质量的薄膜分切机。背景技术:塑料薄膜现广泛地应用于食品、医药、化工等领域,而在医疗领域方面,塑料薄膜可制成预......
一种用于太阳能光伏组件光伏EVA封装膜的分切机的制作方法一种用于太阳能光伏组件光伏eva封装膜的分切机技术领域1.本实用新型涉及分切机技术领域,具体为一种用于太阳能光伏组件光伏eva封装膜的分切机。背景技术:2.分切......
一种塑料膜分切机机械式涨轴收边机的制作方法1.本实用新型涉及塑料膜加工技术领域,具体为一种塑料膜分切机机械式涨轴收边机。背景技术:2.在塑料膜加工时,会用到分切机对塑料膜进行分切,而塑料薄膜边料收卷机是......
一种PVC膜生产用可自动收膜的分切机的制作方法本实用新型涉及分切机技术领域,具体为一种PVC膜生产用可自动收膜的分切机。背景技术:现有的PVC膜生产过程中需要对PVC膜进行切割,在分切机进行切割时,分切机将......
常用的软包装用包装薄膜有哪些常用的软包装用包装薄膜有:PE(聚乙烯)薄膜、CPP(未拉伸聚丙烯)薄膜、VMCPP(镀铝未拉伸聚丙烯)薄膜、OPP(双向拉伸聚丙烯)薄膜、KOP(涂层双向拉伸......