服务热线
180-5003-0233
铜箔分切机是一种机械设备,用于将铜箔材料进行切割和分切。这种机器通常由以下几个主要部分组成:放卷装置:用于放置铜箔材料,并对其进行张力控制,以确保切割精度和稳定......
铝箔分切机是一种机械设备,用于将铝箔材料进行切割和分切。这种机器通常由以下几个主要部分组成:放卷装置:用于放置铝箔材料,并对其进行张力控制,以确保切割精度和稳定......
不干胶分切机是一种专门用于切割不干胶材料的机器,它具有多种特点,包括高精度的放卷光电纠偏、两种收卷方式、自动张力控制、圆刀分切调整方便、表面卷取方式、定长自动停......
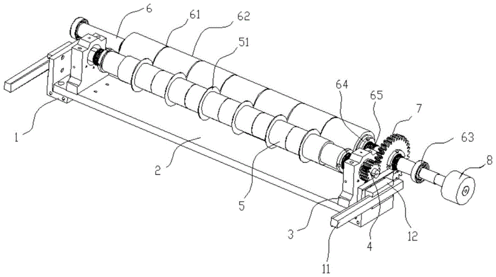
铝箔需要在分切机上进行印后分切,将大卷半成品裁切成所要求的规格尺寸,在分切机上运转分切的半成品是一个放卷与收卷的工艺过程,此过程包括机器的运转速度控制与张力控制......
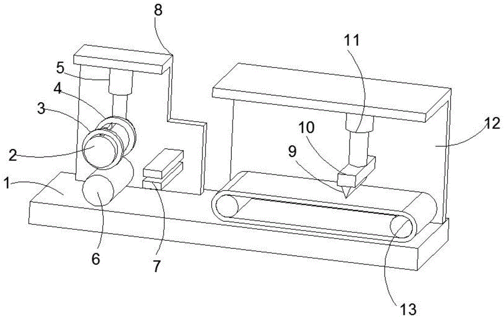
本实用新型涉及除粉装置技术领域,尤其是涉及一种铜箔分切机除尘装置。背景技术:电解铜箔是覆铜板及印制电路板制造的重要的材料。电解铜箔生产工序有三道:溶液生箔、表面......
本发明涉及一种清理电解铜箔在分切过程中产生铜粉的方法。...
本实用新型涉及锂电池技术领域,具体为一种带静电消除的锂电池薄膜限位分切机。背景技术:锂电池的结构中,隔膜是关键的内层组件之一。隔膜的性能决定了电池的界面结构、内......
铝箔分卷机,Aluminum Foil Separator1)Aluminum Foil Separator铝箔分卷机1.This Paper Analyzes......
1.本实用新型空气净化领域,具体涉及一种具有清洁功能的电化铝薄膜分切机。背景技术:2.电化铝箔是一种在薄膜片基上经涂料和真空蒸镀复加一层金属箔而制成的烫印材料。......
本实用新型属于锂离子电池极片制造技术领域,主要应用于在锂离子电池极片分切时,分切边上的粉料毛刺去除,具体涉及一种去除锂离子电池极片分切粉料毛刺的装置。背景技术:......
本实用新型涉及制造电容器芯子过程中除去金属化膜介质膜上的导电、半导电杂质领域,主要涉及的是金属化膜在分切机上除去金属化膜上的导电、半导电杂质类。...
本实用新型涉及分切机应用设备领域,尤其涉及一种分切机用波浪切装置。背景技术:分切是电容器用金属化薄膜制作的重要工序,目前金属化薄膜的分切方式有两种,一种是平切型......
1.本实用新型涉及薄膜分切机技术领域,尤其涉及一种修正带分切机收卷轴旋转驱动装置。背景技术:2.薄膜分切机用于对大尺寸的薄膜状产品分切成小尺寸的产品,薄膜状产品......
分切机是一种将宽幅纸张或薄膜分切成多条窄幅材料的机械设备,常用于造纸机械及印刷包装机械。分切机主要的特点是磁粉离合器作为一个阻力装置,通过系统控制,来输出一个直......
本实用新型涉及一种分切机,特别是一种分切机的自动穿料系统。背景技术:目前金属、塑料、纸等膜状、片状柔性物料原料幅宽度较大,需经分切机进行细化分切。由于分切机分切......