服务热线
180-5003-0233

本实用新型涉及烫金纸切割技术领域,尤其涉及一种烫金纸用切割装置。
背景技术:
在印刷生产中对产品进行烫金印刷时要用到烫金纸,烫金纸为卷筒纸,根据实际生产的情况,需要不同尺寸的烫金纸,此时需要用分切机对卷筒烫金纸进行分切处理以符合所需要宽度的产品。
现有的烫金纸用切割装置,通常是将烫金纸安装到卷辊上,然后利用电机配合传送带带动卷辊旋转,接着控制切割刀具对烫金纸卷进行切割,在切割过程中,很容易切割到卷辊,从而导致切割刀具上的刀片磨损,并引起卷辊损坏,而且切割精度很低。
技术实现要素:
本实用新型的目的是为了解决现有技术中存在的缺点,如:现有的烫金纸用切割装置,通常是将烫金纸安装到卷辊上,然后利用电机配合传送带带动卷辊旋转,接着控制切割刀具对烫金纸卷进行切割,在切割过程中,很容易切割到卷辊,从而导致切割刀具上的刀片磨损,并引起卷辊损坏,而且切割精度很低。
为了实现上述目的,本实用新型采用了如下技术方案:
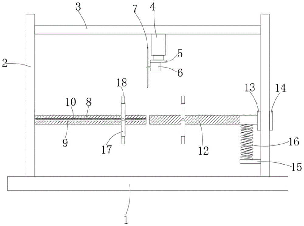
一种烫金纸用切割装置,包括底座,所述底座上固定连接有两个侧板,两个所述侧板之间固定连接有支撑板,所述支撑板上设有切割刀具,其中一个所述侧板靠近支撑板的一侧壁上固定连接有固定杆,所述固定杆上设有测量装置,另一个所述侧板内设有滑槽,所述滑槽内滑动连接有活动杆,所述活动杆远离固定杆的一端上分别固定连接有限位环和限位板,所述活动杆的底侧壁上设有复位装置,所述固定杆上设有螺纹,所述活动杆靠近固定杆的一端上设有螺纹,所述固定杆和活动杆上均螺纹连接有挡板,所述挡板的外侧壁上对称固定连接有多个把手。
优选的,所述切割刀具包括伸缩气缸,所述伸缩气缸固定连接在支撑板的底侧壁上,所述伸缩气缸远离支撑板的一端上固定连接有安装板,所述安装板的底侧壁上固定连接有马达电机,所述马达电机的输出端上固定连接有切割刀片,所述切割刀片正对固定杆和活动杆间缝隙的正中央设置。
优选的,所述测量装置包括凹槽,所述凹槽设置在固定杆的外侧壁上,所述凹槽内固定连接有毫米刻度尺。
优选的,所述复位装置包括底板,所述底板固定连接在靠近活动杆一侧设置的侧板的一侧壁上,所述底板和活动杆之间固定连接有复位弹簧。
优选的,所述活动杆靠近限位环的一端呈光滑设置。
优选的,所述活动杆靠近固定杆的一端呈圆形杆体设置,所述活动杆滑动连接在滑槽内的一端呈方形杆体设置。
本实用新型的有益效果是:整个切割过程操作简单,且切割精度非常高,因为是采用一个固定杆和一个活动杆的方式对烫金纸卷进行固定,因此在切割的过程中,不需要担心切割刀片会切割到固定杆或活动杆,从而避免了切割刀片的磨损以及固定杆和活动杆的损坏。
附图说明
图1为本实用新型提出的一种烫金纸用切割装置的正面结构示意图;
图2为本实用新型提出的一种烫金纸用切割装置的滑槽结构示意图。
图中:1底座、2侧板、3支撑板、4伸缩气缸、5安装板、6马达电机、7切割刀片、8固定杆、9凹槽、10毫米刻度尺、11滑槽、12活动杆、13限位环、14限位板、15底板、16复位弹簧、17挡板、18把手。
具体实施方式
下面将结合本实用新型实施例中的附图,对本实用新型实施例中的技术方案进行清楚、完整地描述,显然,所描述的实施例仅仅是本实用新型一部分实施例,而不是全部的实施例。
在本实用新型的描述中,需要理解的是,术语“上”、“下”、“前”、“后”、“左”、“右”、“顶”、“底”、“内”、“外”等指示的方位或位置关系为基于附图所示的方位或位置关系,仅是为了便于描述本实用新型和简化描述,而不是指示或暗示所指的装置或元件必须具有特定的方位、以特定的方位构造和操作,因此不能理解为对本实用新型的限制。
参照图1-2,一种烫金纸用切割装置,包括底座1,底座1的上端面上对称固定连接有两个侧板2,两个侧板2之间固定连接有支撑板3,支撑板3远离底座1设置,支撑板3上设有切割刀具,切割刀具包括伸缩气缸4,伸缩气缸4固定连接在支撑板3的底侧壁上,伸缩气缸4远离支撑板3的一端上固定连接有安装板5,安装板5的底侧壁上固定连接有马达电机6,马达电机6的输出端上固定连接有切割刀片7。
启动马达电机6,马达电机6的输出端带动切割刀片7旋转,借助旋转的切割刀片7对烫金纸进行切割,借助伸缩气缸4,可以方便的控制切割刀片7的升降,以便进行切割作业,其中一个侧板2靠近支撑板3的一侧壁上固定连接有固定杆8,固定杆8上设有测量装置,测量装置包括凹槽9,凹槽9设置在固定杆8的外侧壁上,凹槽9内固定连接有毫米刻度尺10,毫米刻度尺10位于凹槽9内,不会被磨损,能够长久使用。
毫米刻度尺10的初始刻度不为0,毫米刻度尺10上的刻度以固定杆8和活动杆12间缝隙的正中央为0刻度点,切割之前先对照毫米刻度尺10调整好烫金纸卷的位置,由于切割刀片7是正对固定杆8和活动杆12间缝隙的正中央设置的,因此切割精度非常高,另一个侧板2内设有滑槽11,滑槽11内滑动连接有活动杆12。
切割刀片7正对固定杆8和活动杆12间缝隙的正中央设置,确保切割刀片7在切割烫金纸时不会切割到固定杆8和活动杆12,从而避免了切割刀片7的磨损以及固定杆8和活动杆12的损坏,活动杆12远离固定杆8的一端上分别固定连接有限位环13和限位板14,活动杆12靠近固定杆8的一端呈圆形杆体设置,活动杆12滑动连接在滑槽11内的一端呈方形杆体设置,配合限位环13和限位板14,对活动杆12进行限位,使得活动杆12能够沿滑槽11上下滑动而无法转动,增强固定烫金纸卷时的固定效果。
活动杆12的底侧壁上设有复位装置,复位装置包括底板15,底板15固定连接在靠近活动杆12一侧设置的侧板2的一侧壁上,底板15和活动杆12之间固定连接有复位弹簧16,安装烫金纸卷时,先按压活动杆12,使活动杆12和固定杆8错开,然后将烫金纸卷套到固定杆8上,接着松开活动杆12,活动杆12在复位弹簧16的弹力作用下自动复位,固定杆8上设有螺纹,活动杆12靠近固定杆8的一端上设有螺纹,活动杆12靠近限位环13的一端呈光滑设置。
固定杆8和活动杆12上均螺纹连接有挡板17,挡板17的外侧壁上对称固定连接有多个把手18,安装好烫金纸卷后,对照毫米刻度尺10,按照切割需要调整好烫金纸卷的位置,然后抓住把手18旋转两个挡板17,借助两个挡板17将烫金纸卷固定在固定杆8和活动杆12之间,接着即可开始切割作业。
本实用新型中,使用者使用该装置时,一只手拿住烫金纸卷,一只手按压活动杆12,使活动杆12和固定杆8错开,然后将烫金纸卷套到固定杆8上,松开活动杆12,活动杆12在复位弹簧16的弹力作用下自动复位,然后根据切割的需要和毫米刻度尺10的刻度调整烫金纸卷的位置,接着拧动把手18,利用挡板17对烫金纸卷的位置进行固定;
启动马达电机6,马达电机6的输出端带动切割刀片7旋转,控制伸缩气缸4带动切割刀片7下移,对烫金纸卷进行切割,整个切割过程操作简单,且切割精度非常高,因为是采用一个固定杆8和一个活动杆12的方式对烫金纸卷进行固定,因此在切割的过程中,不需要担心切割刀片7会切割到固定杆8或活动杆12,从而避免了切割刀片7的磨损以及固定杆8和活动杆12的损坏。
以上所述,仅为本实用新型较佳的具体实施方式,但本实用新型的保护范围并不局限于此,任何熟悉本技术领域的技术人员在本实用新型揭露的技术范围内,根据本实用新型的技术方案及其实用新型构思加以等同替换或改变,都应涵盖在本实用新型的保护范围之内。
技术特征:
1.一种烫金纸用切割装置,包括底座(1),其特征在于,所述底座(1)上固定连接有两个侧板(2),两个所述侧板(2)之间固定连接有支撑板(3),所述支撑板(3)上设有切割刀具,其中一个所述侧板(2)靠近支撑板(3)的一侧壁上固定连接有固定杆(8),所述固定杆(8)上设有测量装置,另一个所述侧板(2)内设有滑槽(11),所述滑槽(11)内滑动连接有活动杆(12),所述活动杆(12)远离固定杆(8)的一端上分别固定连接有限位环(13)和限位板(14),所述活动杆(12)的底侧壁上设有复位装置,所述固定杆(8)上设有螺纹,所述活动杆(12)靠近固定杆(8)的一端上设有螺纹,所述固定杆(8)和活动杆(12)上均螺纹连接有挡板(17),所述挡板(17)的外侧壁上对称固定连接有多个把手(18)。
2.根据权利要求1所述的一种烫金纸用切割装置,其特征在于,所述切割刀具包括伸缩气缸(4),所述伸缩气缸(4)固定连接在支撑板(3)的底侧壁上,所述伸缩气缸(4)远离支撑板(3)的一端上固定连接有安装板(5),所述安装板(5)的底侧壁上固定连接有马达电机(6),所述马达电机(6)的输出端上固定连接有切割刀片(7),所述切割刀片(7)正对固定杆(8)和活动杆(12)间缝隙的正中央设置。
3.根据权利要求1所述的一种烫金纸用切割装置,其特征在于,所述测量装置包括凹槽(9),所述凹槽(9)设置在固定杆(8)的外侧壁上,所述凹槽(9)内固定连接有毫米刻度尺(10)。
4.根据权利要求1所述的一种烫金纸用切割装置,其特征在于,所述复位装置包括底板(15),所述底板(15)固定连接在靠近活动杆(12)一侧设置的侧板(2)的一侧壁上,所述底板(15)和活动杆(12)之间固定连接有复位弹簧(16)。
5.根据权利要求1所述的一种烫金纸用切割装置,其特征在于,所述活动杆(12)靠近限位环(13)的一端呈光滑设置。
6.根据权利要求1所述的一种烫金纸用切割装置,其特征在于,所述活动杆(12)靠近固定杆(8)的一端呈圆形杆体设置,所述活动杆(12)滑动连接在滑槽(11)内的一端呈方形杆体设置。
技术总结
本实用新型公开了一种烫金纸用切割装置,包括底座,所述底座上固定连接有两个侧板,两个所述侧板之间固定连接有支撑板,所述支撑板上设有切割刀具,其中一个所述侧板靠近支撑板的一侧壁上固定连接有固定杆,所述固定杆上设有测量装置,另一个所述侧板内设有滑槽。本实用新型整个切割过程操作简单,且切割精度非常高,因为是采用一个固定杆和一个活动杆的方式对烫金纸卷进行固定,因此在切割的过程中,不需要担心切割刀片会切割到固定杆或活动杆,从而避免了切割刀片的磨损以及固定杆和活动杆的损坏。
技术研发人员:刘子军
受保护的技术使用者:天津锦通印刷发展有限公司
技术研发日:2019.10.18
技术公布日:2020.06.23