服务热线
180-5003-0233

本实用新型涉及电池加工技术领域,尤其涉及一种用于磷酸铁锂电池加工的分切机。
背景技术:
磷酸铁锂电池,是指用磷酸铁锂作为正极铝箔的锂离子电池。锂离子电池的正极铝箔主要有钴酸锂、锰酸锂、镍酸锂、三元铝箔、磷酸铁锂等。其中钴酸锂是目前绝大多数锂离子电池使用的正极铝箔。
现有技术中分切机在对磷酸铁锂电池的外壳包裹铝箔进行切割时往往存在切割效果稳定,同时切割尺寸比较单一无法同时切割多种尺寸,针对此类问题需要进行改进。
技术实现要素:
本实用新型的目的是为了解决现有技术中存在的切割效果不稳定同时以及切割尺寸单一无法同时切割多种尺寸的缺点,而提出的一种用于磷酸铁锂电池加工的分切机。
为了实现上述目的,本实用新型采用了如下技术方案:
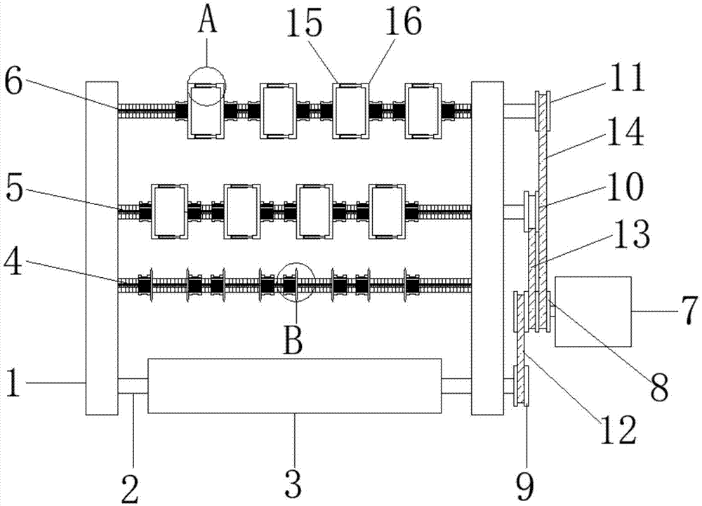
一种用于磷酸铁锂电池加工的分切机,包括两个安装板,两个所述安装板相对一侧的侧壁上共同安装有第一转轴、第二转轴、第三转轴和第四转轴,所述第二转轴、第三转轴和第四转轴的侧壁上均开设有螺纹,所述第一转轴的两端转动连接在两个安装板的侧壁上,所述第一转轴的侧壁上转动安装有滚轮,所述第一转轴的其中一端贯穿安装板的侧壁并延伸至安装板的外侧且安装有第二皮带轮,所述第三转轴的两端转动连接在两个安装板的侧壁上,所述第三转轴的其中一端贯穿安装板的侧壁并延伸至安装板的外侧且安装有第三皮带轮,所述第四转轴的两端转动连接在两个安装板的侧壁上,所述第四转轴的其中一端贯穿安装板的侧壁并延伸至安装板的外侧且安装有第四皮带轮,且第二皮带轮、第三皮带轮和第四皮带轮均位于同一侧,所述安装板的外侧设有电机,所述电机的驱动端上安装有第一皮带轮,所述第一皮带轮与第二皮带轮之间共同绕设有第一皮带,所述第一皮带轮与第三皮带轮之间共同绕设有第二皮带,所述第一皮带轮与第四皮带轮之间共同绕设有第三皮带,所述第二转轴的侧壁上套设有四组螺纹管,每组所述螺纹管相对一侧的侧壁上均安装有刀片。
优选地,所述第一皮带轮的侧壁上分别开设有与第一皮带、第二皮带和第三皮带相吻合的三个皮带槽。
优选地,所述第二转轴、第三转轴和第四转轴的侧壁上均开设有刻度尺。
优选地,所述第三转轴的侧壁上同样套设有四组螺纹管,每组所述螺纹管相对一侧的侧壁上均安装有第一环形板和第二环形板,所述第一环形板与第二环形板之间滑动连接,所述第一环形板与第二环形板的连接处开设有环形槽,所述环形槽内设有环形支板,且环形支板远离第一环形板的一端安装在第二环形板上。
优选地,所述第四转轴的侧壁上同样套设有四组螺纹管,每组所述螺纹管相对一侧的侧壁上安装有第一环形板和第二环形板,所述第一环形板与第二环形板之间滑动连接,所述第一环形板与第二环形板的连接处同样开设有环形槽,所述环形槽内同样设有环形支板,且环形支板远离第一环形板的一端安装在第二环形板上。
优选地,位于第四转轴上的每组所述螺纹管分别与位于第三转轴上的每组螺纹管相互错开设置,且错开距离相同。
本实用新型中,滚轮上绕设有待切割铝箔,现将带切割铝箔穿过第二转轴的下侧并依次安装在第三转轴和第四转轴上的第一环形板和第二环形板上,待切割铝箔固定后,打开电机的开关,电机驱动第一皮带轮转动,并通过第一皮带、第二皮带和第三皮带同时带动第二皮带轮、第三皮带轮和第四皮带轮,带切割铝箔在第三转轴和第四转轴上传递的拉力的作用下,通过与第二转轴上刀片的接触进而被刀片进行分切,并依次绕设在第三转轴和第四转轴上的第一环形板和第二环形板上,调节螺纹管可对刀片进行调节,从而切割出不同尺寸的铝箔,并对切割后的铝箔进行收集。
本实用新型安装简单、操作便利,通过设置多组可以随意调节间距的刀片进而对铝箔进行不同尺寸的切割,同时切割后可根据切割后铝箔的尺寸方便的收集,满足切割功能的同时具有很强的新颖性。
附图说明
图1为本实用新型提出的一种用于磷酸铁锂电池加工的分切机的整体结构示意图;
图2为本实用新型提出的一种用于磷酸铁锂电池加工的分切机的右图;
图3为本实用新型提出的一种用于磷酸铁锂电池加工的分切机的A部分结构的放大图;
图4为本实用新型提出的一种用于磷酸铁锂电池加工的分切机的B部分结构的放大图。
图中:1安装板、2第一转轴、3、滚轮、4第二转轴、5第三转轴、6第四转轴、7电机、8第一皮带轮、9第二皮带轮、10第三皮带轮、11第四皮带轮、12第一皮带、13第二皮带、14第三皮带、15第一环形板、16第二环形板、17环形槽、18环形支板、19螺纹管、20刀片、21刻度尺。
具体实施方式
下面将结合本实用新型实施例中的附图,对本实用新型实施例中的技术方案进行清楚、完整地描述,显然,所描述的实施例仅仅是本实用新型一部分实施例,而不是全部的实施例。
在本实用新型的描述中,需要理解的是,术语“上”、“下”、“前”、“后”、“左”、“右”、“顶”、“底”、“内”、“外”等指示的方位或位置关系为基于附图所示的方位或位置关系,仅是为了便于描述本实用新型和简化描述,而不是指示或暗示所指的装置或元件必须具有特定的方位、以特定的方位构造和操作,因此不能理解为对本实用新型的限制。
参照图1-4,一种用于磷酸铁锂电池加工的分切机,包括两个安装板1,两个安装板1相对一侧的侧壁上共同安装有第一转轴2、第二转轴4、第三转轴5和第四转轴6,两个安装板1的侧壁上分别安装有与第一转轴2、第二转轴4、第三转轴5和第四转轴6配合的轴承,第二转轴4、第三转轴5和第四转轴6的侧壁上均开设有螺纹,第二转轴4、第三转轴5和第四转轴6的侧壁上均开设有刻度尺21,第一转轴2的两端转动连接在两个安装板1的侧壁上,第一转轴2的侧壁上转动安装有滚轮3,第一转轴2的其中一端贯穿安装板1的侧壁并延伸至安装板1的外侧且安装有第二皮带轮9,第三转轴5的两端转动连接在两个安装板1的侧壁上,第三转轴5的其中一端贯穿安装板1的侧壁并延伸至安装板1的外侧且安装有第三皮带轮10,第四转轴6的两端转动连接在两个安装板1的侧壁上,第四转轴6的其中一端贯穿安装板1的侧壁并延伸至安装板1的外侧且安装有第四皮带轮11,且第二皮带轮9、第三皮带轮10和第四皮带轮11均位于同一侧。
本实用新型中,安装板1的外侧设有电机7,电机7的驱动端上安装有第一皮带轮8,第一皮带轮8与第二皮带轮9之间共同绕设有第一皮带12,第一皮带轮8与第三皮带轮10之间共同绕设有第二皮带13,第一皮带轮8与第四皮带轮11之间共同绕设有第三皮带14,第一皮带轮8的侧壁上分别开设有与第一皮带12、第二皮带13和第三皮带14相吻合的三个皮带槽,且第一皮带12安装在靠近1侧壁的皮带槽内,第二皮带13安装在位于中间的皮带槽内,第三皮带14安装在位于靠近电机7的皮带槽内,第二转轴4的侧壁上套设有四组螺纹管19,每组螺纹管19相对一侧的侧壁上均安装有刀片20。
本实用新型中,第三转轴5的侧壁上同样套设有四组螺纹管19,每组螺纹管19相对一侧的侧壁上均安装有第一环形板15和第二环形板16,第一环形板15与第二环形板16之间滑动连接,第一环形板15与第二环形板16的连接处开设有环形槽17,环形槽17内设有环形支板18,且环形支板18远离第一环形板15的一端安装在第二环形板16上,第四转轴6的侧壁上同样套设有四组螺纹管19,每组螺纹管19相对一侧的侧壁上安装有第一环形板15和第二环形板16,第一环形板15与第二环形板16之间滑动连接,第一环形板15与第二环形板16的连接处同样开设有环形槽17,环形槽17内同样设有环形支板18,且环形支板18远离第一环形板15的一端安装在第二环形板16上,位于第四转轴6上的每组螺纹管19分别与位于第三转轴5上的每组螺纹管19相互错开设置,且错开距离相同。
本实用新型中,滚轮3上绕设有待切割铝箔,现将带切割铝箔穿过第二转轴4的下侧并依次安装在第三转轴5和第四转轴6上的第一环形板15和第二环形板16上,待切割铝箔固定后,打开电机7的开关,电机7驱动第一皮带轮8转动,并通过第一皮带12、第二皮带13和第三皮带14同时带动第二皮带轮9、第三皮带轮10和第四皮带轮11,带切割铝箔在第三转轴5和第四转轴6上传递的拉力的作用下,通过与第二转轴4上刀片20的接触进而被刀片20进行分切,并依次绕设在第三转轴5和第四转轴6上的第一环形板15和第二环形板16上,调节螺纹管19可对刀片20进行调节,从而切割出不同尺寸的铝箔,并对切割后的铝箔进行收集。
以上所述,仅为本实用新型较佳的具体实施方式,但本实用新型的保护范围并不局限于此,任何熟悉本技术领域的技术人员在本实用新型揭露的技术范围内,根据本实用新型的技术方案及其实用新型构思加以等同替换或改变,都应涵盖在本实用新型的保护范围之内。
技术特征:
1.一种用于磷酸铁锂电池加工的分切机,包括两个安装板(1),其特征在于,两个所述安装板(1)相对一侧的侧壁上共同安装有第一转轴(2)、第二转轴(4)、第三转轴(5)和第四转轴(6),所述第二转轴(4)、第三转轴(5)和第四转轴(6)的侧壁上均开设有螺纹,所述第一转轴(2)的两端转动连接在两个安装板(1)的侧壁上,所述第一转轴(2)的侧壁上转动安装有滚轮(3),所述第一转轴(2)的其中一端贯穿安装板(1)的侧壁并延伸至安装板(1)的外侧且安装有第二皮带轮(9),所述第三转轴(5)的两端转动连接在两个安装板(1)的侧壁上,所述第三转轴(5)的其中一端贯穿安装板(1)的侧壁并延伸至安装板(1)的外侧且安装有第三皮带轮(10),所述第四转轴(6)的两端转动连接在两个安装板(1)的侧壁上,所述第四转轴(6)的其中一端贯穿安装板(1)的侧壁并延伸至安装板(1)的外侧且安装有第四皮带轮(11),且第二皮带轮(9)、第三皮带轮(10)和第四皮带轮(11)均位于同一侧,所述安装板(1)的外侧设有电机(7),所述电机(7)的驱动端上安装有第一皮带轮(8),所述第一皮带轮(8)与第二皮带轮(9)之间共同绕设有第一皮带(12),所述第一皮带轮(8)与第三皮带轮(10)之间共同绕设有第二皮带(13),所述第一皮带轮(8)与第四皮带轮(11)之间共同绕设有第三皮带(14),所述第二转轴(4)的侧壁上套设有四组螺纹管(19),每组所述螺纹管(19)相对一侧的侧壁上均安装有刀片(20)。
2.根据权利要求1所述的一种用于磷酸铁锂电池加工的分切机,其特征在于,所述第一皮带轮(8)的侧壁上分别开设有与第一皮带(12)、第二皮带(13)和第三皮带(14)相吻合的三个皮带槽。
3.根据权利要求1所述的一种用于磷酸铁锂电池加工的分切机,其特征在于,所述第二转轴(4)、第三转轴(5)和第四转轴(6)的侧壁上均开设有刻度尺(21)。
4.根据权利要求1所述的一种用于磷酸铁锂电池加工的分切机,其特征在于,所述第三转轴(5)的侧壁上同样套设有四组螺纹管(19),每组所述螺纹管(19)相对一侧的侧壁上均安装有第一环形板(15)和第二环形板(16),所述第一环形板(15)与第二环形板(16)之间滑动连接,所述第一环形板(15)与第二环形板(16)的连接处开设有环形槽(17),所述环形槽(17)内设有环形支板(18),且环形支板(18)远离第一环形板(15)的一端安装在第二环形板(16)上。
5.根据权利要求4所述的一种用于磷酸铁锂电池加工的分切机,其特征在于,所述第四转轴(6)的侧壁上同样套设有四组螺纹管(19),每组所述螺纹管(19)相对一侧的侧壁上安装有第一环形板(15)和第二环形板(16),所述第一环形板(15)与第二环形板(16)之间滑动连接,所述第一环形板(15)与第二环形板(16)的连接处同样开设有环形槽(17),所述环形槽(17)内同样设有环形支板(18),且环形支板(18)远离第一环形板(15)的一端安装在第二环形板(16)上。
6.根据权利要求5所述的一种用于磷酸铁锂电池加工的分切机,其特征在于,位于第四转轴(6)上的每组所述螺纹管(19)分别与位于第三转轴(5)上的每组螺纹管(19)相互错开设置,且错开距离相同。
技术总结
本实用新型公开了一种用于磷酸铁锂电池加工的分切机,包括两个安装板,两个所述安装板相对一侧的侧壁上共同安装有第一转轴、第二转轴、第三转轴和第四转轴,所述第二转轴、第三转轴和第四转轴的侧壁上均开设有螺纹,所述第一转轴的两端转动连接在两个安装板的侧壁上,所述第一转轴的侧壁上转动安装有滚轮,所述第一转轴的其中一端贯穿安装板的侧壁并延伸至安装板的外侧且安装有第二皮带轮,所述第三转轴的两端转动连接在两个安装板的侧壁上。本实用新型安装简单、操作便利,通过设置多组可以随意调节间距的刀片进而对铝箔进行不同尺寸的切割,同时切割后可根据切割后铝箔的尺寸方便的收集,满足切割功能的同时具有很强的新颖性。
技术研发人员:郭钧星
受保护的技术使用者:广州英业达新能源有限公司
技术研发日:2018.05.30
技术公布日:2019.01.04