
本实用新型涉及分切机,具体涉及一种可伸缩的分切机气动刀架。
背景技术:
分切机刀架是分切机中安装并驱动刀片进行工作的部件。
然而,现有技术的分切机刀架在安装完毕后不能进行位置调节。且现有分切机,其刀架上的刀片为铁片,铁具有良好的导热性能,在进行切膜的过程中,刀片与面料摩擦会发热,分切后使面料收缩变形,影响面料的完整性,降低产品的良率。当刀片磨损后,而刀架的行程却恒定,就会导致刀片不能完全切断印刷品。再者,每个刀架上仅设置一个刀片,面料被分切后,相邻的两面料之间没有缝隙,只要收卷发生细微偏差,就会影响后续收卷操作。设备的使用成本高,而且还降低了设备的生产效率,并严重影响产品的良率。
因此,有必要设计一种新的可伸缩的分切机气动刀架,使得其安装完毕后能够进行位置调节,使用陶瓷切刀,高硬度耐磨性好,刀片不易磨损;且刀片能够随时更换,面料分切完成后,易收卷,分切效率高。
技术实现要素:
本实用新型要解决的技术问题是提供一种可伸缩的分切机气动刀架,其安装完毕后能够进行位置调节,使用陶瓷切刀,高硬度耐磨性好,刀片不易磨损;且刀片能够随时更换,面料分切完成后,易收卷,分切效率高。
为了解决上述技术问题,本实用新型提供了一种可伸缩的分切机气动刀架,包括立柱、第一横梁、第二横梁和分切刀座;所述立柱的数量为二;所述第一横梁和所述第二横梁由上而下依次架设在所述立柱之间,所述分切刀座设置在所述第二横梁上;一对所述立柱上设置有用于固定所述第一横梁和第二横梁的紧固件,所述第二横梁上下可移动设置在所述立柱上,所述第一横梁的顶端配置有用于驱动所述第二横梁上下往复移动的第一驱动源;所述分切刀座的底端设置有用于对面料进行分切操作的裁刀组件,所述裁刀组件包括相对设置的两片裁刀,所述裁刀为陶瓷刀片,所述陶瓷刀片呈薄片状;所述分切刀座可移动设置在所述第二横梁上。
作为优选的,所述分切刀座的底部侧壁开设有刀片安装槽,所述裁刀组件内的陶瓷刀片可拆卸吸附设置在所述刀片安装槽内。
作为优选的,所述裁刀组件还包括用于驱动所述裁刀进行动作的第二驱动源,所述裁刀和所述第二驱动源均设置在所述分切刀座上,所述裁刀与所述第二驱动源电连接。
作为优选的,所述第二横梁上等距离均匀分布有安装孔,通过所述安装孔,所述分切刀座可移动设置在所述第二横梁上。
作为优选的,所述第二横梁的两端分别设置有便于手持的握持部,所述握持部呈光滑的圆弧状。
作为优选的,相邻两片所述裁刀之间的距离为0.2cm~2cm。
作为优选的,所述分切刀座上设置有用于检测面料运行速度的速度检测元件。
作为优选的,所述第一横梁的端部还设置有用于提醒运行故障的警报灯。
与现有技术相比,本实用新型的有益效果是:
1、本实用新型使用陶瓷刀片分切面料,高硬度耐磨性好,刀片不易磨损,分切效果好、裁刀使用寿命更久,且不会对面料造成任何损伤。
2、本实用新型通过设置立柱、第一横梁、第二横梁和分切刀座;分切刀座可移动设置在所述第二横梁上,第二横梁上下可移动设置在所述立柱上。分切机刀架在安装完毕后能够根据需求进行各部分的位置调节,能够应用在各类场景中,结构简单,实用性强。
附图说明
为了更清楚的说明本实用新型实施例技术中的技术方案,下面将对实施例技术描述中所需要使用的附图作简单地介绍,显而易见地,下面描述中的附图仅仅是本实用新型的一些实施例,对于本领域普通技术人员来讲,在不付出创造性劳动的前提下,还能够根据这些附图获得其他的附图。
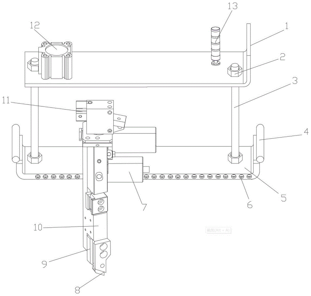
图1为本实用新型的结构示意图。
其中,1-第一横梁,2-紧固件,3-立柱,4-握持部,5-第二横梁,6-安装孔,7-速度检测元件,8-裁刀,9-刀片安装槽,10-分切刀座,11-第二驱动源,12-第一驱动源,13-警报灯。
具体实施方式
下面将结合本实用新型实施例中的附图,对本实用新型实施例中的技术方案进行清楚、完整的描述,显然,所描述的实施例仅仅是本实用新型一部分实施例,而不是全部的实施例。基于本实用型中的实施例,本领域普通技术人员在没有作出创造性劳动的前提下所获得的所有其他实施例,都属于本实用新型保护的范围。
实施例
参照图1所示,本实用新型公开了一种可伸缩的分切机气动刀架,包括:
立柱3、第一横梁1、第二横梁5和分切刀座10。
上述立柱3设置有两个,第一横梁1和第二横梁5由上而下依次架设在上述立柱3之间,上述分切刀座10设置在第二横梁5上。
优选的,在上述立柱3上设置有紧固件2,其能够用于固定第一横梁1和第二横梁5。上述第二横梁5上下可移动设置在立柱3上。
其中在上述第一横梁1的顶端配置有用于驱动第二横梁5上下往复移动的第一驱动源12。上述第二横梁5能够带动分切刀架进行上下往复移动。
在上述分切刀座10的底端设置有用于对面料进行分切操作的裁刀8组件,上述裁刀8组件包括相对设置的两片裁刀8。
优选的,上述裁刀8为陶瓷刀片,陶瓷刀片呈薄片状。使用陶瓷刀片分切面料,高硬度耐磨性好,刀片不易磨损,分切效果好、裁刀8使用寿命更久,且不会对面料造成任何损伤。
进一步的,在上述分切刀座10的底部侧壁开设有刀片安装槽9,裁刀8组件内的陶瓷刀片可拆卸吸附设置在刀片安装槽9内,刀片能够随时更换。
优选的,上述裁刀8组件还包括用于驱动裁刀8进行动作的第二驱动源11,裁刀8和第二驱动源11均设置在分切刀座10上,裁刀8与第二驱动源11电连接。
在上述第二横梁5上等距离均匀分布有安装孔6,通过安装孔6,分切刀座可移动设置在第二横梁5上,上述分切刀座10在第二横梁5上的位置能够进行水平调节。
上述第二横梁5的两端分别设置有便于手持的握持部4,握持部4呈光滑的圆弧状。
相邻两片所述裁刀8之间的距离为0.2cm~2cm。面料被分切后,相邻的两面料之间形成有缝隙,哪怕收卷发生细微偏差,也不会影响后续收卷操作。
在上述分切刀座10上设置有用于检测面料运行速度的速度检测元件7。
上述第一横梁1的端部还设置有用于提醒运行故障的警报灯13。
对所公开的实施例的上述说明,使本领域专业技术人员能够实现或使用本实用新型。对这些实施例的多种修改对本领域的专业技术人员来说将是显而易见的,本文中所定义的一般原理能够在不脱离本实用新型的精神或范围的情况下,在其它实施例中实现。因此,本实用新型将不会被限制于本文所示的这些实施例,而是要符合与本文所公开的原理和新颖点相一致的最宽的范围。
技术特征:
1.一种可伸缩的分切机气动刀架,其特征在于,包括:
立柱、第一横梁、第二横梁和分切刀座;
所述立柱的数量为二;所述第一横梁和所述第二横梁由上而下依次架设在所述立柱之间,所述分切刀座设置在所述第二横梁上;
一对所述立柱上设置有用于固定所述第一横梁和第二横梁的紧固件,所述第二横梁上下可移动设置在所述立柱上,所述第一横梁的顶端配置有用于驱动所述第二横梁上下往复移动的第一驱动源;
所述分切刀座的底端设置有用于对面料进行分切操作的裁刀组件,所述裁刀组件包括相对设置的两片裁刀,所述裁刀为陶瓷刀片,所述陶瓷刀片呈薄片状;
所述分切刀座可移动设置在所述第二横梁上。
2.如权利要求1所述的可伸缩的分切机气动刀架,其特征在于,所述分切刀座的底部侧壁开设有刀片安装槽,所述裁刀组件内的陶瓷刀片可拆卸吸附设置在所述刀片安装槽内。
3.如权利要求2所述的可伸缩的分切机气动刀架,其特征在于,所述裁刀组件还包括用于驱动所述裁刀进行动作的第二驱动源,所述裁刀和所述第二驱动源均设置在所述分切刀座上,所述裁刀与所述第二驱动源电连接。
4.如权利要求3所述的可伸缩的分切机气动刀架,其特征在于,所述第二横梁上等距离均匀分布有安装孔,通过所述安装孔,所述分切刀座可移动设置在所述第二横梁上。
5.如权利要求4所述的可伸缩的分切机气动刀架,其特征在于,所述第二横梁的两端分别设置有便于手持的握持部,所述握持部呈光滑的圆弧状。
6.如权利要求5所述的可伸缩的分切机气动刀架,其特征在于,相邻两片所述裁刀之间的距离为0.2cm~2cm。
7.如权利要求6所述的可伸缩的分切机气动刀架,其特征在于,所述分切刀座上设置有用于检测面料运行速度的速度检测元件。
8.如权利要求7所述的可伸缩的分切机气动刀架,其特征在于,所述第一横梁的端部还设置有用于提醒运行故障的警报灯。
技术总结
本实用新型公开了一种可伸缩的分切机气动刀架,包括立柱、第一横梁、第二横梁和分切刀座;所述立柱的数量为二;所述第一横梁和所述第二横梁由上而下依次架设在所述立柱之间,所述分切刀座设置在所述第二横梁上;一对所述立柱上设置有用于固定所述第一横梁和第二横梁的紧固件,所述第二横梁上下可移动设置在所述立柱上,所述第一横梁的顶端配置有第一驱动源;所述分切刀座的底端设置有裁刀组件,所述裁刀组件包括相对设置的两片裁刀,裁刀为陶瓷刀片;所述分切刀座可移动设置在第二横梁上。其安装完毕后能够进行位置调节,使用陶瓷切刀,高硬度耐磨性好,刀片不易磨损;且刀片能够随时更换,面料分切完成后,易收卷,分切效率高。
技术研发人员:李根荣
受保护的技术使用者:苏州新诺斯新材料科技有限公司
技术研发日:2020.11.02
技术公布日:2021.06.25