服务热线
180-5003-0233
传统标签的印刷技术探传统标签印刷的不足随着时代的发展,企业对自身产品的包装及标签的要求越来越高。高质量、高信息含量、新颖、防伪、环保的标签正在被中国的企业认识和需要。一方面,产品......
用于分切机上隔膜在线瑕疵检测装置的制作方法本实用新型涉及一种用于分切机上隔膜在线瑕疵检测装置,属于分切机上隔膜检测设备技术领域。...
隔膜分切机上用的可调节幅宽的间隔环装置的制作方法本实用新型属于电池隔膜生产设备技术领域,涉及隔膜分切机上用的可调节幅宽的间隔环装置。背景技术:高端电池隔膜分切普遍采用用圆刀分切,圆刀分为上刀和下刀,隔膜的分切......
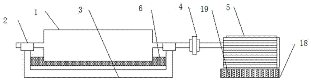
一种锂电池隔膜分切压辊装置的制作方法1.本实用新型涉及锂电池制造技术领域,具体涉及一种锂电池隔膜分切压辊装置。背景技术:2.锂离子电池隔膜是锂离子电池中的主要组件,其主要作用是使电池的正、负极分隔......
分切机的操作与保养小知识随着机械化程度的越来越高,对收卷作业效率的要求也越来越高。当分切机应用在薄膜、胶带以及纸张的分切作业中,可以将整卷的大盘卷筒根据不同要求分切成多个小盘卷筒,以满......
不干胶标签印刷材料有哪些分类?不干胶是一种材料,也叫自粘标签材料,是以纸张、薄膜或其它特种材料为面料,背面涂有胶粘剂,以涂硅保护纸为底纸的一种复合材料。条码标签、环保标签、物流标签、食品标签......
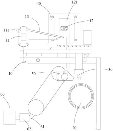
一种锂电池隔离膜分切机自动式蓝胶涂布设备的制作方法1.本实用新型涉及蓝胶涂布技术领域,尤其是指一种锂电池隔离膜分切机自动式蓝胶涂布设备。背景技术:2.锂电池被广泛应用在电动工具、电动自行车、小家电等领域中。目前......
隔膜分切机的独立臂收卷结构的制作方法本实用新型涉及锂电池隔膜加工技术领域,具体涉及一种隔膜分切机的独立臂收卷结构。背景技术:锂电池是一类由金属锂或者锂合金作为负极材料、有机溶液作为电解质的电池。目......
一种隔膜分切机及分切装置的制作方法1.本发明属于隔膜制品分切领域,涉及一种隔膜分切机及分切装置。背景技术:2.目前,随着锂电池行业的快速发展,各种规格与用途的电池不断推出,因此对应锂电池隔膜的宽......
锂电池分切机的发展前景随着电动汽车、便携电子设备等市场的不断扩大,锂电池的需求也在不断增加。而锂电池的生产过程中,分切是一个非常关键的步骤。因此,锂电池分切机的发展前景也非常广阔。以......
热敏纸的用途和原理用途:热敏纸:在传真机上作为文字和图形的通讯载体,即当成传真纸;在医疗、测计系统中作为记录材料,如心电图纸、热工仪器记录纸等;应用于因特网终端的打印纸;在商业活......
锂离子电池隔膜分切机的制作方法本实用新型涉及锂离子电池制造技术领域,具体涉及一种锂离子电池隔膜分切机。背景技术:锂离子电池隔膜是锂离子电池中的主要组件,其主要作用是使电池的正、负极分隔开来,......
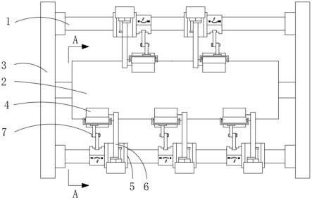
一种极片分切机的极片切断机构的制作方法1.本实用新型涉及极片分切机技术领域,具体为一种极片分切机的极片切断机构。背景技术:2.锂电池是一类由锂金属或锂合金为正/负极材料、使用非水电解质溶液的电池,锂......
一种分切机切刀装置的制作方法本实用新型涉及一种分切机切刀装置,属于机械设备技术领域。背景技术:分切机是一种将宽幅纸张、云母带或薄膜分切成多条窄幅材料的机械设备,常用于造纸机械、电线电缆云母......
条码碳带的原带的组成条码碳带的轴芯常见的有纸质和塑料两种,主要要求是不能变形和在打印时不能滑动,条码碳带的原带的组成如下:条码原带一般由五层组成,顶涂层,油墨层,内涂层,带基和背涂......