服务热线
180-5003-0233

本实用新型涉及一种分切机,特别是一种提高工业化分切机分切物料上料的上料机构。
背景技术:
目前金属、塑料、纸等膜状、片状柔性物料原料幅宽度较大,而且重量重,个别能达几百斤,用人工上料废力废时,并且存在安全隐患。因此,为了使得上料变得简单快捷,进而提高生产效率,现需要一种分切机的上料机构。
技术实现要素:
本实用新型的目的,在于提供一种分切机的上料机构。
本实用新型解决其技术问题的解决方案是:分切机的上料机构,包括直接或者间接固定在机架上的两个升降座,两个所述升降座平行布置,每个升降座的前侧面布置有升降轨道以及沿升降轨道上下移动的挂钩座,所述挂钩座上布置有弧形状的挂钩腔,升降座内部布置有驱动挂钩座上下移动的传动单元,所述传动单元与位于升降座旁的驱动源连接,每个所述升降座匹配一条送料轨道,所述送料轨道的一端固定在升降座的顶部,送料轨道的另一端固定在机架的挂料块前侧。
作为上述技术方案的进一步改进,所述传动单元包括位于升降座内部上侧的从动齿轮、位于从动齿轮下方的主动齿轮以及围绕在从动齿轮和主动齿轮之间的传动链条,所述挂钩座的固定端穿过升降轨道后固定在传动链条上,两个升降座中的主动齿轮之间通过传动轴连接,其中一个升降座的主动齿轮通过主动轴和联轴器与驱动源的输送端连接。
作为上述技术方案的进一步改进,所述挂钩腔的开口端前侧布置有一个定位销,所述定位销穿过送料轨道与挂钩座的定位横杆连接成联动机构,所述挂钩座上布置有驱动手柄,所述驱动手柄的U形杆铰接在定位横杆的上方,所述定位横杆下方安装有驱使定位销弹出及驱使定位横杆活动的复位弹簧。
作为上述技术方案的进一步改进,所述升降轨道的上端延伸到升降座的顶部后升降轨道呈倒L状,挂钩座运动到升降座的顶部后挂钩腔的侧壁与送料轨道的上端面齐平,送料轨道的上端面与挂料块中的挂料定位腔的下壁齐平。
作为上述技术方案的进一步改进,两个所述升降座之间形成能让物料周转车进去的第一腔体。
作为上述技术方案的进一步改进,所述驱动源为伺服电机。
作为上述技术方案的进一步改进,所述送料轨道倾斜布置,与升降座连接的送料轨道一端高于与送料轨道的另一端。
本实用新型的有益效果是:本实用新型通过物料周转车将物料的两端挂在挂钩座上,挂钩座在传动单元和驱动源的作用下提升到升降座指定位置后,物料在重力的作用下从挂钩腔出来后,沿着送料轨道滚至挂料块中,完成物料的半自动化上料,从而增加分切机上料效率,并避免依靠人手体力操作减少操作人员的体力消耗并减少接触物料减少物料对人体造成的损伤现象。经实验应用证明,本实用新型有效达到了省时省力安全高效,提高工业化生产新型实用的意义,对提升分切设备工业化高效起到决定性作用。
附图说明
为了更清楚地说明本实用新型实施例中的技术方案,下面将对实施例描述中所需要使用的附图作简单说明。显然,所描述的附图只是本实用新型的一部分实施例,而不是全部实施例,本领域的技术人员依据本实用新型类型的前提下所获得的其他实施例,均属于本实用新型保护的范围。
图1是本实用新型工作时物料上料时三个状态的示意图;
图2是本实用新型的结构示意图。
具体实施方式
以下将结合实施例和附图对本实用新型的构思、具体结构及产生的技术效果进行清楚、完整地描述,以充分地理解本实用新型的目的、特征和效果。显然,所描述的实施例只是本实用新型的一部分实施例,而不是全部实施例,基于本实用新型的实施例,本领域的技术人员依据本实用新型类型所获得的其他实施例,及本实用新型所提到的所有联接/连接关系,并非单指构件直接相接,而是指可根据具体实施情况,通过添加或减少联接辅件,来组成更优的联接结构,均属于本实用新型保护的范围。
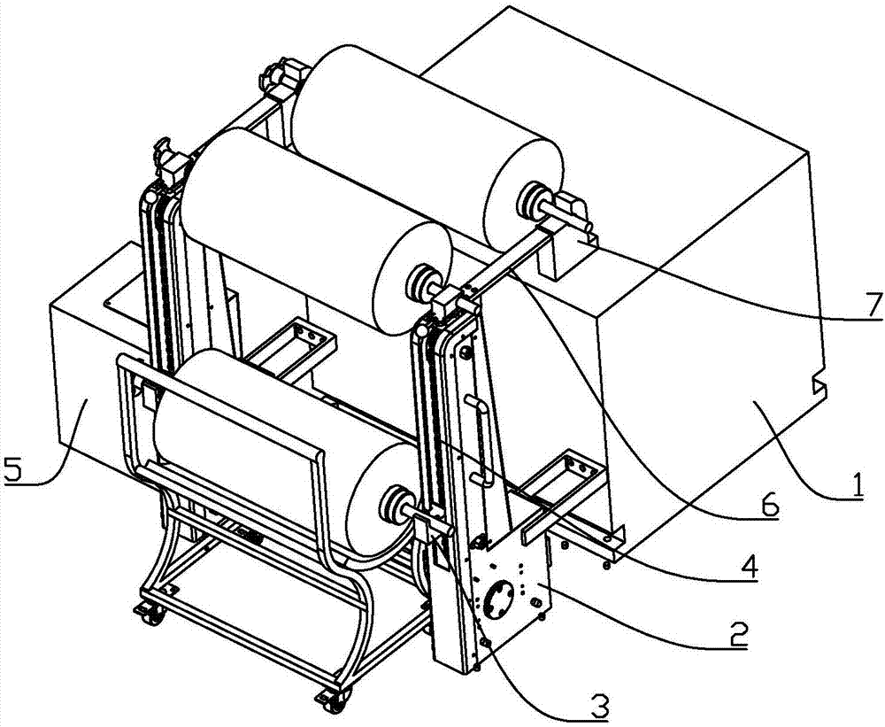
参照图1~图2,分切机的上料机构,包括直接或者间接固定在机架1上的两个升降座2,两个所述升降座2平行布置,每个升降座2的前侧面布置有升降轨道以及沿升降轨道上下移动的挂钩座3,所述挂钩座3上布置有弧形状的挂钩腔,升降座2内部布置有驱动挂钩座3上下移动的传动单元,所述传动单元与位于升降座2旁的驱动源5连接,每个所述升降座2匹配一条送料轨道6,所述送料轨道6的一端固定在升降座2的顶部,送料轨道6的另一端固定在机架1的挂料块7前侧。
通过物料周转车将物料的两端挂在挂钩座3上,挂钩座3在传动单元和驱动源5的作用下提升到升降座2指定位置后,物料在重力的作用下从挂钩腔出来后,沿着送料轨道6滚至挂料块7中,完成物料的半自动化上料,从而增加分切机上料效率,并避免依靠人手体力操作减少操作人员的体力消耗并减少接触物料减少物料对人体造成的损伤现象。经实验应用证明,本实用新型有效达到了省时省力安全高效,提高工业化生产新型实用的意义,对提升分切设备工业化高效起到决定性作用。
进一步作为优选的实施方式,所述传动单元包括位于升降座2内部上侧的从动齿轮、位于从动齿轮下方的主动齿轮以及围绕在从动齿轮和主动齿轮之间的传动链条4,所述挂钩座3的固定端穿过升降轨道后固定在传动链条4上,两个升降座2中的主动齿轮之间通过传动轴连接,其中一个升降座2的主动齿轮通过主动轴和联轴器与驱动源5的输送端连接。所述驱动源5为伺服电机。伺服电机带动主动齿轮转动,两个主动齿轮通过传动轴实现同步转动,使得物料提升时,两端同步且平稳。另外,传动链条4在低速传动时,具有平稳以及适用于重负载运行。
进一步作为优选的实施方式,所述挂钩腔的开口端前侧布置有一个定位销30,所述定位销30穿过送料轨道6与挂钩座3的定位横杆32连接成联动机构,所述挂钩座3上布置有驱动手柄31,所述驱动手柄31的U形杆铰接在定位横杆32的上方,所述定位横杆32下方安装有驱使定位销30弹出及驱使定位横杆32活动的复位弹簧,挂钩座3内放置的物料达到此位置时,会从倒L形的挂钩座敞口端滑出于定位销30及定位横杆32的联动机构,经手动扳动驱动手柄31,驱动手柄31的U形杆驱使定位横杆32往下运动,进而使得定位销30往下运动,物料在重力的作用下从挂钩腔出来,沿着送料轨道6滚至挂料块7中。松开驱动手柄31后,定位销30在复位弹簧的作用下顶出复位。
进一步作为优选的实施方式,所述升降轨道的上端延伸到升降座2的顶部后升降轨道呈倒L状,挂钩座3运动到升降座2的顶部后挂钩腔的侧壁与送料轨道6的上端面齐平,挂钩座内放置的物料通过升降轨道将物料运送至升降座2的顶部形成倒L状态,挂钩腔的开口端朝向挂料快7,物料在重力的作用下沿着送料轨道6滚至挂料块7中。
进一步作为优选的实施方式,两个所述升降座之间形成能让物料周转车进去的第一腔体,便于物料周转车进入第一腔体后,便于将物料的两端固定在挂钩座3上。
进一步作为优选的实施方式,所述送料轨道6倾斜布置,与升降座2连接的送料轨道6一端高于与送料轨道6的另一端。
以上是对本实用新型的较佳实施方式进行了具体说明,但本发明创造并不限于所述实施例,熟悉本领域的技术人员在不违背本实用新型精神的前提下还可作出种种的等同变型或替换,这些等同的变型或替换均包含在本申请权利要求所限定的范围内。
技术特征:
1.分切机的上料机构,其特征在于:包括直接或者间接固定在机架上的两个升降座,两个所述升降座平行布置,每个升降座的前侧面布置有升降轨道以及沿升降轨道上下移动的挂钩座,所述挂钩座上布置有弧形状的挂钩腔,升降座内部布置有驱动挂钩座上下移动的传动单元,所述传动单元与位于升降座旁的驱动源连接,每个所述升降座匹配一条送料轨道,所述送料轨道的一端固定在升降座的顶部,送料轨道的另一端固定在机架的挂料块前侧。
2.根据权利要求1所述的分切机的上料机构,其特征在于:所述传动单元包括位于升降座内部上侧的从动齿轮、位于从动齿轮下方的主动齿轮以及围绕在从动齿轮和主动齿轮之间的传动链条,所述挂钩座的固定端穿过升降轨道后固定在传动链条上,两个升降座中的主动齿轮之间通过传动轴连接,其中一个升降座的主动齿轮通过主动轴和联轴器与驱动源的输送端连接。
3.根据权利要求1所述的分切机的上料机构,其特征在于:所述挂钩腔的开口端前侧布置有一个定位销,所述定位销穿过送料轨道与挂钩座的定位横杆连接成联动机构,所述挂钩座上布置有驱动手柄,所述驱动手柄的U形杆铰接在定位横杆的上方,所述定位横杆下方安装有驱使定位销弹出及驱使定位横杆活动的复位弹簧。
4.根据权利要求1所述的分切机的上料机构,其特征在于:所述升降轨道的上端延伸到升降座的顶部后升降轨道呈倒L状,挂钩座运动到升降座的顶部后挂钩腔的侧壁与送料轨道的上端面齐平,送料轨道的上端面与挂料块中的挂料定位腔的下壁齐平。
5.根据权利要求1所述的分切机的上料机构,其特征在于:两个所述升降座之间形成能让物料周转车进去的第一腔体。
6.根据权利要求1~5任一项所述的分切机的上料机构,其特征在于:所述驱动源为伺服电机。
7.根据权利要求1~5任一项所述的分切机的上料机构,其特征在于:所述送料轨道倾斜布置,与升降座连接的送料轨道一端高于与送料轨道的另一端。
技术总结
本实用新型公开了分切机的上料机构,包括直接或者间接固定在机架上的两个升降座,两个所述升降座平行布置,每个升降座的前侧面布置有升降轨道以及沿升降轨道上下移动的挂钩座,所述挂钩座上布置有弧形状的挂钩腔,升降座内部布置有驱动挂钩座上下移动的传动单元,所述传动单元与位于升降座旁的驱动源连接,每个所述升降座匹配一条送料轨道,所述送料轨道的一端固定在升降座的顶部,送料轨道的另一端固定在机架的挂料块前侧。通过物料周转车将物料的两端挂在挂钩座上,挂钩座在传动单元和驱动源的作用下提升到升降座指定位置后,物料在重力的作用下从挂钩腔出来后,沿着送料轨道滚至挂料块中,完成物料的半自动化上料。
技术研发人员:张前龙
受保护的技术使用者:深圳市友利特精密机械制造有限公司
文档号码:201720177668
技术研发日:2017.02.24
技术公布日:2017.10.03