服务热线
180-5003-0233

1.本技术涉及复卷机的领域,尤其是涉及一种蓝图纸分切复卷机。
背景技术:
2.分切复卷机是一种用于将待卷纸张分切复卷为成品纸张的卷绕设备,其主要结构包括料辊、导向辊、转动辊和复卷辊,转动辊上固定安装有若干刀片。待卷纸张从料辊经过导向辊后,经过转动辊时,被刀片分切为若干份,从而形成成品纸张所需的宽度,分切后的成品纸张在复卷辊上再次卷绕,待复卷辊上的成品纸张卷绕至一定程度时,将其取下即可。
3.针对上述中的相关技术,发明人认为,当需要调整纸张的宽度时,需要调节刀片之间的距离,由于刀片固定在转动辊上,因此调节刀片的操作过程较为繁琐。
技术实现要素:
4.为了提高调节刀片的便利性,本技术提供一种蓝图纸分切复卷机。
5.本技术提供的一种蓝图纸分切复卷机采用如下的技术方案:
6.一种蓝图纸分切复卷机,包括转动辊以及设置于转动辊上的若干刀片,所述转动辊上设置有若干滑动筒,所述滑动筒与刀片一一对应,所述刀片设置于滑动筒上,所述转动辊上设置有用于锁定滑动筒的锁定件。
7.通过采用上述技术方案,当需要调节刀片之间的距离时,操作锁定件,将滑动筒解锁,通过在转动辊上滑动滑动筒,即可调节刀片之间的距离,调节完成后,操作锁定件将滑动筒锁定,即可正常工作。通过将刀片设置于滑动筒上,使得在转动辊上滑动滑动筒,即可完成对刀片的调节,提高了调节刀片的便利性。
8.可选的,所述转动辊内沿转动辊的长度方向开设有空腔,所述转动辊上开设有若干通气孔,所述锁定件包括设置于通气孔上用于封闭通气孔的弹性膜,所述弹性膜抵紧于滑动筒的内侧壁上,所述转动辊的一端设置有气泵,所述气泵的出气端与空腔相连通。
9.通过采用上述技术方案,当需要锁定滑动筒时,启动气泵,气泵将空气泵入空腔内,弹性膜在空气的挤压下,抵紧于滑动筒的内侧壁上,从而将滑动筒锁定;当需要使得滑动筒在转动辊上滑动时,启动气泵,将空腔内的空气抽出,弹性膜与滑动筒的内侧壁分离,滑动筒即可在转动辊上滑动。通过弹性膜和气泵的设置,操作简单且安装方便。
10.可选的,所述空腔内设置有若干隔档板,所述隔档板将空腔分隔为若干腔室,所述空腔内穿设有进气管,所述进气管的一端与气泵的出气端相连通,所述进气管的另一端依次穿过若干隔档板固定连接于空腔远离气泵一端的腔壁上,所述进气管上设置有若干连通管,所述连通管与腔室一一对应,所述连通管与进气管之间通过三通电磁阀相连通。
11.通过采用上述技术方案,当仅需要对其中一个刀片进行调节时,操作三通电磁阀,使得气泵与该刀片所对应的腔室相连通。通过操作气泵,即可对该刀片进行调节,提高了调节刀片的精度。
12.可选的,所述滑动筒的两侧均设置有用于固定刀片的固定组件,所述固定组件包
括设置于滑动筒上的第一限位块和第二限位块,所述第一限位块与第二限位块之间形成卡接缝隙,所述刀片与卡接缝隙卡接配合;所述滑动筒上开设有凹槽,所述凹槽内设置有弹簧,所述弹簧远离凹槽的一端与第二限位块相连,所述第二限位块与凹槽滑动相连。
13.通过采用上述技术方案,固定组件的设置,方便刀片在滑动筒上进行拆装,当需要更换刀片时,将第二限位块按入凹槽内,将刀片从滑动筒上滑出即可,提高了更换刀片的便利性。
14.可选的,所述凹槽的槽口处设置有密封圈,所述第二限位块与密封圈滑动相连。
15.当刀片切割纸张时,刀片周围会产生大量纸屑,通过采用上述技术方案,密封圈能够尽量减少纸屑进入凹槽内的可能性。
16.可选的,所述第二限位块上设有导向面,所述导向面自第二限位块远离弹簧一侧的侧壁朝向第二限位块远离刀片一侧的侧壁倾斜向下设置。
17.通过采用上述技术方案,当需要安装刀片时,通过刀片与导向面之间的摩擦,即可将第二限位块压入凹槽内。导向面的设置,提高了安装刀片的便利性。
18.可选的,所述滑动筒上沿滑动筒的长度方向设置有限位条,所述刀片上开设有限位槽,所述限位条与限位槽滑动相连。
19.通过采用上述技术方案,限位条的设置,能够避免刀片与滑动筒之间发生相对滑动。
20.可选的,所述弹性膜的表面设置有防滑纹。
21.通过采用上述技术方案,防滑纹的设置,增加了弹性膜与滑动筒之间的摩擦,降低了滑动筒在转动辊上发生相对滑动的可能性。
22.综上所述,本技术包括以下至少一种有益技术效果:
23.1.在本技术中,通过将刀片设置于滑动筒上,调节滑动筒在转动辊上的位置,即可实现对刀片的调节,提高了调节刀片的便利性;
24.2.在本技术进一步设置中,通过隔档板和三通电磁阀的设置,使得气泵能够控制某一区域内滑动筒的锁定和解锁,从而控制该区域内刀片的调节,提高了调节的精度;
25.3.在本技术进一步设置中,通过固定组件的设置,提高了拆装刀片的便利性,从而提高了更换刀片的便利性。
附图说明
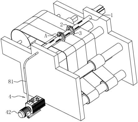
26.图1是本技术实施例中分切复卷机的结构示意图;
27.图2是本技术实施例中转动辊的剖视图;
28.图3是图1中a部分的放大图;
29.图4是图2中b部分的放大图;
30.图5是本技术实施例中滑动筒的结构示意图。
31.附图标记说明:1、转动辊;2、刀片;3、滑动筒;4、锁定件;41、弹性膜;42、气泵;5、隔档板;6、固定组件;61、第一限位块;62、第二限位块;63、弹簧;7、限位条;81、进气管;82、连通管;83、三通电磁阀;84、密封圈;85、防滑纹;91、空腔;92、腔室;93、卡接缝隙;94、凹槽;95、导向面;96、限位槽。
具体实施方式
32.以下结合附图1-5对本技术作进一步详细说明。
33.本技术实施例公开一种蓝图纸分切复卷机。参照图1,复卷机包括机架,机架上转动安装有料辊、导向辊、转动辊1和复卷辊,转动辊1上设置有若干刀片2。
34.参照图1和图2,转动辊1上滑动连接有若干滑动筒3,转动辊1上还设置有用于锁定滑动筒3的锁定件4。转动辊1内沿转动辊1的长度方向开设有空腔91,转动辊1上开设有若干通气孔。
35.参照图1和图3,锁定件4包括气泵42以及若干用于封闭通气孔的弹性膜41,弹性膜41固定连接于转动辊1上且抵紧于滑动筒3的内侧壁,弹性膜41的外侧壁上设有若干防滑纹85。
36.参照图1和图2,空腔91内固定连接有若干隔档板5,隔档板5将空腔91分隔为若干腔室92。空腔91内穿设有进气管81,进气管81的一端与气泵42的出气端固定相连,进气管81的另一端依次穿过若干隔档板5与空腔91远离气泵42一端的腔壁固定相连。
37.参照图2,进气管81上设置有若干连通管82,连通管82与腔室92一一对应,进气管81上固定安装有三通电磁阀83,连通管82固定安装于三通电磁阀83上。
38.参照图2和图4,滑动筒3的两侧均设置有固定组件6。固定组件6包括固定连接于滑动筒3外侧壁上的第一限位块61,滑动筒3的外侧壁上开设有凹槽94,凹槽94内竖直设置有弹簧63。弹簧63的一端固定连接于凹槽94的槽底,另一端固定连接有第二限位块62。
39.参照图4,凹槽94的槽口固定连接有一圈密封圈84,第二限位块62与密封圈84滑动相连。第二限位块62上设有导向面95,导向面95自第二限位块62远离弹簧63一侧的侧壁朝向第二限位块62远离刀片2一侧的侧壁倾斜向下设置。第二限位块62与第一限位块61之间形成卡接缝隙93,刀片2与卡接缝隙93卡接配合。
40.参照图4,当需要安装刀片2时,将刀片2对准滑动筒3推动,随着刀片2在滑动筒3上滑动,当刀片2与导向面95接触时,通过刀片2与导向面95之间的摩擦即可将第二限位块62压入凹槽94内,刀片2继续滑动,当刀片2抵紧于第一限位块61上时,第二限位块62从凹槽94内弹出,使得刀片2卡接于卡接缝隙93内,刀片2即被固定。
41.参照图4,当需要拆卸刀片2时,将第二限位块62按入凹槽94内,将刀片2从滑动筒3上滑出即可。提高了拆卸刀片2的便利性,便于在需要更换刀片2时对刀片2进行更换。
42.参照图1和图5,滑动筒3上沿滑动筒3的长度方向一体成型有限位条7,刀片2上开设有用于与限位条7配合使用的限位槽96,限位条7与限位槽96滑动相连。限位条7的设置,使得当滑动筒3随转动辊1转动时,刀片2不会在滑动筒3上发生相对转动。
43.本技术实施例一种蓝图纸分切复卷机的实施原理为:纸张自料辊依次经过导向辊和转动辊1,当纸张经过转动辊1时,被刀片2切割,最后在复卷辊上卷绕为成品纸张。
44.当需要调节刀片2之间的距离时,启动气泵42,先将空腔91内的空气抽出,使得弹性膜41与滑动筒3的内侧壁分离,此时调整滑动筒3在转动辊1上的位置,待调整完成后,启动气泵42,将空气泵42入空腔91内,使得弹性膜41抵紧于滑动筒3的内侧壁上,完成刀片2位置的调节。
45.以上均为本技术的较佳实施例,并非依此限制本技术的保护范围,故:凡依本技术的结构、形状、原理所做的等效变化,均应涵盖于本技术的保护范围之内。
技术特征:
1.一种蓝图纸分切复卷机,包括转动辊(1)以及设置于转动辊(1)上的若干刀片(2),其特征在于:所述转动辊(1)上设置有若干滑动筒(3),所述滑动筒(3)与刀片(2)一一对应,所述刀片(2)设置于滑动筒(3)上,所述转动辊(1)上设置有用于锁定滑动筒(3)的锁定件(4)。2.根据权利要求1所述的一种蓝图纸分切复卷机,其特征在于:所述转动辊(1)内沿转动辊(1)的长度方向开设有空腔(91),所述转动辊(1)上开设有若干通气孔,所述锁定件(4)包括设置于通气孔上用于封闭通气孔的弹性膜(41),所述弹性膜(41)抵紧于滑动筒(3)的内侧壁上,所述转动辊(1)的一端设置有气泵(42),所述气泵(42)的出气端与空腔(91)相连通。3.根据权利要求2所述的一种蓝图纸分切复卷机,其特征在于:所述空腔(91)内设置有若干隔档板(5),所述隔档板(5)将空腔(91)分隔为若干腔室(92),所述空腔(91)内穿设有进气管(81),所述进气管(81)的一端与气泵(42)的出气端相连通,所述进气管(81)的另一端依次穿过若干隔档板(5)固定连接于空腔(91)远离气泵(42)一端的腔壁上,所述进气管(81)上设置有若干连通管(82),所述连通管(82)与腔室(92)一一对应,所述连通管(82)与进气管(81)之间通过三通电磁阀(83)相连通。4.根据权利要求1所述的一种蓝图纸分切复卷机,其特征在于:所述滑动筒(3)的两侧均设置有用于固定刀片(2)的固定组件(6),所述固定组件(6)包括设置于滑动筒(3)上的第一限位块(61)和第二限位块(62),所述第一限位块(61)与第二限位块(62)之间形成卡接缝隙(93),所述刀片(2)与卡接缝隙(93)卡接配合;所述滑动筒(3)上开设有凹槽(94),所述凹槽(94)内设置有弹簧(63),所述弹簧(63)远离凹槽(94)的一端与第二限位块(62)相连,所述第二限位块(62)与凹槽(94)滑动相连。5.根据权利要求4所述的一种蓝图纸分切复卷机,其特征在于:所述凹槽(94)的槽口处设置有密封圈(84),所述第二限位块(62)与密封圈(84)滑动相连。6.根据权利要求4所述的一种蓝图纸分切复卷机,其特征在于:所述第二限位块(62)上设有导向面(95),所述导向面(95)自第二限位块(62)远离弹簧(63)一侧的侧壁朝向第二限位块(62)远离刀片(2)一侧的侧壁倾斜向下设置。7.根据权利要求4所述的一种蓝图纸分切复卷机,其特征在于:所述滑动筒(3)上沿滑动筒(3)的长度方向设置有限位条(7),所述刀片(2)上开设有限位槽(96),所述限位条(7)与限位槽(96)滑动相连。8.根据权利要求2所述的一种蓝图纸分切复卷机,其特征在于:所述弹性膜(41)的表面设置有防滑纹(85)。
技术总结
本申请涉及一种蓝图纸分切复卷机,涉及复卷机的技术领域,其包括转动辊以及设置于转动辊上的若干刀片。转动辊上设置有若干滑动筒,滑动筒与刀片一一对应,刀片设置于滑动筒上,转动辊上设置有用于锁定滑动筒的锁定件。本申请通过将刀片设置于滑动筒上,当需要调节刀片之间的距离时,操作锁定件,使得滑动筒能够在转动辊上滑动,通过滑动滑动筒即可调节刀片之间的距离,从而提高了调节刀片的便利性。从而提高了调节刀片的便利性。从而提高了调节刀片的便利性。
技术研发人员:章腾翔 张晓东
受保护的技术使用者:杭州东仪纸业有限公司
技术研发日:2022.01.22
技术公布日:2022/8/2