服务热线
180-5003-0233

本实用新型涉及造纸设备相关技术领域,具体是一种具有分切功能的复卷机。
背景技术:
复卷机,是一种用于纸类、云母带、薄膜专用设备,其用途是将造纸机生产出来的纸卷(称为原纸卷)进行依次复卷,纸张经过复卷后做成成品纸出厂。
复卷机用交流传动代替直流传动在造纸机械行业中已成为发展趋势,由卷纸机卷得的纸卷比较松软,内部可能会有破损或断头,两侧边缘不整齐,纸幅宽度等多不能直接使用于纸加工或印刷等机器,大部分纸种(如新闻纸、凸版印刷纸、包装纸等)必须经过复卷机切边、分切、接头、在纸卷芯上重卷形成一定规格、一定紧度要求的成品纸卷才能出厂。
但是,现有技术的复卷机功能较为单一,虽然近些年市面上出现了一些能够进行分切的复卷机,但是这种复卷机由于刀片不可调,存在分切过程中存在的分切尺寸不可调问题,而且纸张在分切时容易发生的翘起不平行现象,难以保证分切动作的稳定性,分切效果差,为此,本实用新型设计了一款新型的具有分切功能的复卷机。
技术实现要素:
本实用新型的目的在于提供一种具有分切功能的复卷机,以解决上述背景技术中提出的问题。
为实现上述目的,本实用新型提供如下技术方案:
一种具有分切功能的复卷机,包括放卷器、导压轮、复卷器和分切机箱,所述分切机箱的箱腔前后两侧位置通过轴承分别水平转动设置有一个旋转丝杠,前侧的旋转丝杠和右侧的旋转丝杠的右端分别通过皮带座和防滑皮带传动连接至中心转轴上,中心转轴由主伺服电机驱动旋转,前侧的旋转丝杠、右侧的旋转丝杠与中心转轴三者处在同一平面上,在中心转轴的正上方水平固定设置有导向滑杆,所述支撑位移块共同贯穿前侧的旋转丝杠、右侧的旋转丝杠和导向滑杆设置,支撑位移块上半部中心位置处贯通的导向通孔与导向滑杆滑动配合,支撑位移块下半部两侧位置处贯通的内螺纹通孔与旋转丝杠螺纹配合,所述支撑位移块的底壁面中部位置处安装有高速切刀,所述支撑位移块的底壁面两侧位置处还固定有缓冲套筒,在缓冲套筒的筒腔中设置有挤压复位弹簧且在挤压复位弹簧的底端适配配置有压轮安装座,在压轮安装座的底部安装有压轮,传送台的上台面左端侧边设置有左挡沿,传送台的上台面右端侧边设置有右挡沿,传送台的前侧壁上设置有刻度标线,传送台的上台面上、对应刻度标线的刻度上间隔相等的距离均匀向内开设有若干个条形三角凹槽,条形三角凹槽纵向贯穿传送台设置且其与高速切刀的切口相配合。
作为本实用新型进一步的方案:所述高速切刀由高速电机驱动旋转。
作为本实用新型再进一步的方案:纸板置放在传送台上,压轮对应压迫在纸板上。
与现有技术相比,本实用新型的有益效果是:本实用新型使得工人师傅根据需要分切的尺寸规格进行支撑位移块位置的调整,以此解决分切过程中存在的分切尺寸不可调问题,并且压轮能够始终贴压在纸板上,避免纸张在分切时容易发生的翘起不平行现象,保证分切动作的稳定性,进而有效提高纸张的加工效果,整个结构设计巧妙合理,传动安全流畅,具有广阔的推广应用前景。
附图说明
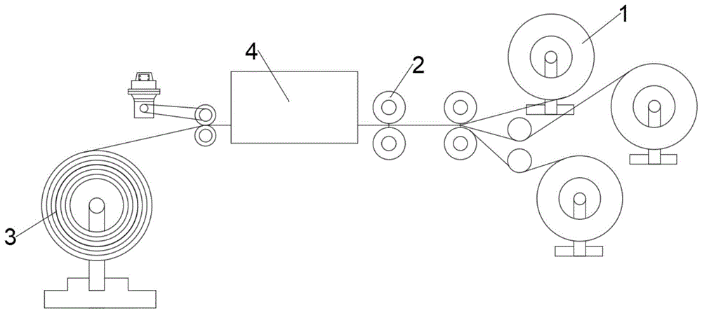
图1为一种复卷工作的整体流程示意图。
图2为一种具有分切功能的复卷机的内部主视结构示意图。
图3为一种具有分切功能的复卷机的内部仰视结构示意图。
图4为图2中a处的放大结构示意图。
图5为一种具有分切功能的复卷机中支撑位移块的侧视结构示意图。
具体实施方式
下面将结合本实用新型实施例中的附图,对本实用新型实施例中的技术方案进行清楚、完整地描述,显然,所描述的实施例仅仅是本实用新型一部分实施例,而不是全部的实施例。基于本实用新型中的实施例,本领域普通技术人员在没有做出创造性劳动前提下所获得的所有其他实施例,都属于本实用新型保护的范围。
请参阅图1-5,本实用新型实施例中,一种具有分切功能的复卷机,包括放卷器1、导压轮2、复卷器3和分切机箱4。
所述分切机箱4的箱腔前后两侧位置通过轴承分别水平转动设置有一个旋转丝杠6,前侧的旋转丝杠6和右侧的旋转丝杠6的右端分别通过皮带座和防滑皮带13传动连接至中心转轴上,中心转轴由主伺服电机5驱动旋转,前侧的旋转丝杠6、右侧的旋转丝杠6与中心转轴三者处在同一平面上,在中心转轴的正上方水平固定设置有导向滑杆8,所述支撑位移块7共同贯穿前侧的旋转丝杠6、右侧的旋转丝杠6和导向滑杆8设置,所述支撑位移块7上半部中心位置处贯通的导向通孔19与导向滑杆8滑动配合,支撑位移块7下半部两侧位置处贯通的内螺纹通孔20与旋转丝杠6螺纹配合。
所述支撑位移块7的底壁面中部位置处安装有高速切刀21,高速切刀21由高速电机驱动旋转,所述支撑位移块7的底壁面两侧位置处还固定有缓冲套筒12,在缓冲套筒12的筒腔中设置有挤压复位弹簧11且在挤压复位弹簧11的底端适配配置有压轮安装座10,在压轮安装座10的底部安装有压轮9,纸板置放在传送台16上,压轮9对应压迫在纸板上,传送台16的上台面左端侧边设置有左挡沿14,传送台16的上台面右端侧边设置有右挡沿15,传送台16的前侧壁上设置有刻度标线18,传送台16的上台面上、对应刻度标线18的刻度上间隔相等的距离均匀向内开设有若干个条形三角凹槽17,条形三角凹槽17纵向贯穿传送台16设置且其与高速切刀21的切口相配合。
通过本实用新型设计的一种具有分切功能的复卷机,在纸板运送工序中加装有分切机箱4、旋转丝杠6、高速切刀21、防滑皮带13、主伺服电机5、支撑位移块7、高速切刀21、缓冲套筒12、压轮9、挤压复位弹簧11、刻度标线18和条形三角凹槽17,在纸板运送过来之前的准备阶段,工人师傅根据需要分切的尺寸规格进行支撑位移块7位置的调整,调整流程:启动主伺服电机5驱使着中心转轴旋转,在皮带座和防滑皮带13传动配合下带动两个旋转丝杠6同步旋转,由于支撑位移块7共同适配贯穿前侧的旋转丝杠6、右侧的旋转丝杠6和导向滑杆8设置,根据机械传动理论可知,支撑位移块7随即沿着水平方向向左或向右移动,工人师傅参考刻度标线18和条形三角凹槽17的位置进行高速切刀21的位置调整,以此解决分切过程中存在的分切尺寸不可调问题;并且,在进行分切时,在挤压复位弹簧11的弹力作用下,压轮安装座10上安装的压轮9能够始终贴压在纸板上,避免纸张在分切时容易发生的翘起不平行现象,保证分切动作的稳定性,进而有效提高纸张的加工效果,整个结构设计巧妙合理,传动安全流畅,具有广阔的推广应用前景。
尽管参照前述实施例对本实用新型进行了详细的说明,对于本领域的技术人员来说,其依然可以对前述各实施例所记载的技术方案进行修改,或者对其中部分技术特征进行等同替换,凡在本实用新型的精神和原则之内,所作的任何修改、等同替换、改进等,均应包含在本实用新型的保护范围之内。
技术特征:
1.一种具有分切功能的复卷机,包括放卷器(1)、导压轮(2)、复卷器(3)和分切机箱(4),其特征在于,所述分切机箱(4)的箱腔前后两侧位置通过轴承分别水平转动设置有一个旋转丝杠(6),前侧的旋转丝杠(6)和右侧的旋转丝杠(6)的右端分别通过皮带座和防滑皮带(13)传动连接至中心转轴上,中心转轴由主伺服电机(5)驱动旋转,前侧的旋转丝杠(6)、右侧的旋转丝杠(6)与中心转轴三者处在同一平面上,在中心转轴的正上方水平固定设置有导向滑杆(8),支撑位移块(7)共同贯穿前侧的旋转丝杠(6)、右侧的旋转丝杠(6)和导向滑杆(8)设置,支撑位移块(7)上半部中心位置处贯通的导向通孔(19)与导向滑杆(8)滑动配合,支撑位移块(7)下半部两侧位置处贯通的内螺纹通孔(20)与旋转丝杠(6)螺纹配合,支撑位移块(7)的底壁面中部位置处安装有高速切刀(21),支撑位移块(7)的底壁面两侧位置处还固定有缓冲套筒(12),在缓冲套筒(12)的筒腔中设置有挤压复位弹簧(11)且在挤压复位弹簧(11)的底端适配配置有压轮安装座(10),在压轮安装座(10)的底部安装有压轮(9),传送台(16)的上台面左端侧边设置有左挡沿(14),传送台(16)的上台面右端侧边设置有右挡沿(15),传送台(16)的前侧壁上设置有刻度标线(18),传送台(16)的上台面上、对应刻度标线(18)的刻度上间隔相等的距离均匀向内开设有若干个条形三角凹槽(17),条形三角凹槽(17)纵向贯穿传送台(16)设置且其与高速切刀(21)的切口相配合。
2.根据权利要求1所述的一种具有分切功能的复卷机,其特征在于,所述高速切刀(21)由高速电机驱动旋转。
3.根据权利要求1所述的一种具有分切功能的复卷机,其特征在于,纸板置放在传送台(16)上,压轮(9)对应压迫在纸板上。
技术总结
本实用新型公开了一种具有分切功能的复卷机,包括放卷器、导压轮、复卷器和分切机箱,支撑位移块共同贯穿前侧的旋转丝杠、右侧的旋转丝杠和导向滑杆设置,支撑位移块的底壁面中部位置处安装有高速切刀,在缓冲套筒的筒腔中设置有挤压复位弹簧且在挤压复位弹簧的底端适配配置有压轮安装座,在压轮安装座的底部安装有压轮,传送台的前侧壁上设置有刻度标线,传送台的上台面上、对应刻度标线的刻度上间隔相等的距离均匀向内开设有若干个条形三角凹槽,条形三角凹槽纵向贯穿传送台设置且其与高速切刀的切口相配合。本实用新型结构设计巧妙合理,传动安全流畅,具有广阔的推广应用前景。
技术研发人员:彭少华
受保护的技术使用者:天门顺康纸业有限公司
技术研发日:2019.08.14
技术公布日:2020.11.20