
本实用新型涉及胶带生产设备技术领域,具体为一种基于PLC控制系统的全自动胶带分切机。
背景技术:
PLC控制系统是可编程逻辑控制器,专为工业生产设计的一种数字运算操作的电子装置,它采用一类可编程的存储器,用于其内部存储程序,执行逻辑运算,定时,计数与算术操作等面向用户的指令,并通过数字或模拟式输入和输出控制各种类型的机械或生产过程,是工业控制的核心部分,在胶带分切操作中,在没有PLC控制系统进行控制的情况下,常常会造成胶带分切混乱,需要多人进行手工操作,这就降低了工作效率,增加了大量的人力投入,提高了人们生产成本。
技术实现要素:
本实用新型的目的在于提供一种基于PLC控制系统的全自动胶带分切机,具备能够对分切机进行全自动化管理,使分切机根据各种程序和指令进行有序工作,大大提高了胶带分切效率,降低了人工投入成本和管理成本,也方便人们对分切机控制和调试的优点,解决了在胶带分切操作中,在没有PLC控制系统进行控制的情况下,常常会造成胶带分切混乱,需要多人进行手工操作,这就降低了工作效率,增加了大量的人力投入,提高了人们生产成本的问题。
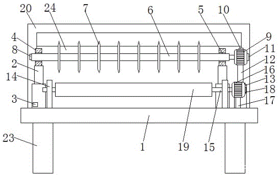
为实现上述目的,本实用新型提供如下技术方案:一种基于PLC控制系统的全自动胶带分切机,包括工作台,所述工作台顶部的两侧均固定连接有电动推杆,所述电动推杆底部的右侧设置有电动推杆开关,所述电动推杆的顶端固定连接有固定板,所述固定板的内部固定连接有轴承,两个固定板之间设置有转杆,所述转杆的两端均贯穿轴承,所述转杆的表面固定连接有切割刀片,所述转杆的左端延伸至轴承的左侧并设置有转速检测器,所述转杆的右侧延伸至轴承的右侧并固定连接有第一电机,所述第一电机的顶部设置有转速调节器,所述第一电机的右侧设置有第一电机开关,所述第一电机的底部固定连接有小竖杆,所述小竖杆的底端套设有大竖杆,所述大竖杆的底端与工作台的顶部固定连接,所述工作台顶部的两侧且位于电动推杆的前侧固定连接有支撑板,所述支撑板的左侧活动连接有横杆,所述横杆的右端贯穿支撑板并延伸至支撑板的右侧,所述横杆的右端固定连接有第二电机,所述第二电机的底部固定连接有支撑杆,所述第二电机的右侧设置有第二电机开关,所述横杆的表面套设有收卷辊,所述工作台的顶部且位于电动推杆的背部固定连接有框架,所述框架背部的左侧设置有红外检测器;
所述红外检测器的输出端电连接有PLC控制系统,所述转速检测器的输出端与PLC控制系统的输入端电连接,所述PLC控制系统的输出端分别与转速调节器、第一电机开关、第二电机开关和电动推杆开关的输入端电连接,所述转速调节器和第一电机开关的输出端均与第一电机的输入端电连接,所述第二电机开关的输出端与第二电机的输入端电连接,所述电动推杆开关的输出端与电动推杆的输入端电连接。
优选的,所述收卷辊的形状为圆柱形,所述收卷辊的表面设置有防滑纹。
优选的,所述工作台底部的两侧均固定连接有支腿,所述支腿的数量为四个。
优选的,所述切割刀片的数量不少于个,所述切割刀片的形状为圆环形。
优选的,所述工作台的顶部且位于框架的内腔固定连接有斜板,所述斜板的两侧与框架的内壁固定连接。
与现有技术相比,本实用新型的有益效果如下:
1、本实用新型通过工作台、电动推杆、电动推杆开关、固定板、轴承、转杆、切割刀片、转速检测器、第一电机、转速调节器、第一电机开关、小竖杆、大竖杆、支撑板、横杆、第二电机、支撑杆、第二电机开关、收卷辊、框架、红外检测器和PLC控制系统的配合使用,能够对分切机进行全自动化管理,使分切机根据各种程序和指令进行有序工作,大大提高了胶带分切效率,降低了人工投入成本和管理成本,也方便人们对分切机控制和调试。
2、本实用新型通过红外检测器的设置,能够检测到是否有需要切分的胶带,通过收卷辊的设置,能够将切割好的胶带及时的进行收卷,方便人们整理,通过斜板的设置,能够使胶带在进行分切时更加容易向前推进,方便人们使用。
附图说明
图1为本实用新型结构示意图;
图2为本实用新型侧视结构示意图;
图3为本实用新型系统原理图。
图中:1工作台、2电动推杆、3电动推杆开关、4固定板、5轴承、6转杆、7切割刀片、8转速检测器、9第一电机、10转速调节器、11第一电机开关、12小竖杆、13大竖杆、14支撑板、15横杆、16第二电机、17支撑杆、18第二电机开关、19收卷辊、20框架、21红外检测器、22 PLC控制系统、23支腿、24斜板。
具体实施方式
下面将结合本实用新型实施例中的附图,对本实用新型实施例中的技术方案进行清楚、完整地描述,显然,所描述的实施例仅仅是本实用新型一部分实施例,而不是全部的实施例。基于本实用新型中的实施例,本领域普通技术人员在没有做出创造性劳动前提下所获得的所有其他实施例,都属于本实用新型保护的范围。
请参阅图1-3,一种基于PLC控制系统的全自动胶带分切机,包括工作台1,工作台1底部的两侧均固定连接有支腿23,支腿23的数量为四个,工作台1顶部的两侧均固定连接有电动推杆2,电动推杆2底部的右侧设置有电动推杆开关3,电动推杆2的顶端固定连接有固定板4,固定板4的内部固定连接有轴承5,两个固定板4之间设置有转杆6,转杆6的两端均贯穿轴承5,转杆6的表面固定连接有切割刀片7,切割刀片7的数量不少于8个,切割刀片7的形状为圆环形,转杆6的左端延伸至轴承5的左侧并设置有转速检测器8,转杆6的右侧延伸至轴承5的右侧并固定连接有第一电机9,第一电机9的顶部设置有转速调节器10,第一电机9的右侧设置有第一电机开关11,第一电机9的底部固定连接有小竖杆12,小竖杆12的底端套设有大竖杆13,大竖杆13的底端与工作台1的顶部固定连接,工作台1顶部的两侧且位于电动推杆2的前侧固定连接有支撑板14,支撑板14的左侧活动连接有横杆15,横杆15的右端贯穿支撑板14并延伸至支撑板14的右侧,横杆15的右端固定连接有第二电机16,第二电机16的底部固定连接有支撑杆17,第二电机16的右侧设置有第二电机开关18,横杆15的表面套设有收卷辊19,收卷辊19的形状为圆柱形,收卷辊19的表面设置有防滑纹,通过收卷辊19的设置,能够将切割好的胶带及时的进行收卷,方便人们整理,工作台1的顶部且位于电动推杆2的背部固定连接有框架20,工作台1的顶部且位于框架20的内腔固定连接有斜板24,斜板24的两侧与框架20的内壁固定连接,通过斜板24的设置,能够使胶带在进行分切时更加容易向前推进,方便人们使用,框架20背部的左侧设置有红外检测器21,通过红外检测器21的设置,能够检测到是否有需要切分的胶带;
红外检测器21的输出端电连接有PLC控制系统22,转速检测器8的输出端与PLC控制系统22的输入端电连接,PLC控制系统22的输出端分别与转速调节器10、第一电机开关11、第二电机开关18和电动推杆开关3的输入端电连接,转速调节器10和第一电机开关11的输出端均与第一电机9的输入端电连接,第二电机开关18的输出端与第二电机16的输入端电连接,电动推杆开关3的输出端与电动推杆2的输入端电连接,通过工作台1、电动推杆2、电动推杆开关3、固定板4、轴承5、转杆6、切割刀片7、转速检测器8、第一电机9、转速调节器10、第一电机开关11、小竖杆12、大竖杆13、支撑板14、横杆15、第二电机16、支撑杆17、第二电机开关18、收卷辊19、框架20、红外检测器21和PLC控制系统22的配合使用,能够对分切机进行全自动化管理,使分切机根据各种程序和指令进行有序工作,大大提高了胶带分切效率,降低了人工投入成本和管理成本,也方便人们对分切机控制和调试。
使用时,将需要分切的胶带放在斜板24上,框架20背部的红外检测器21监测到有胶带需要切分,通过PLC控制系统22打开第一电机开关11、第二电机开关18和电动推杆开关3,第一电机开关11、第二电机开关18和电动推杆开关3分别打开第一电机9、第二电机16和电动推杆2,电动推杆开关3的开启使电动推杆2带动转杆6和切割刀片7进行升降运动,使分切机能够分切不同厚度的胶带,转速检测器8检测到转杆6转速过高或过低时,会通过PLC控制系统22来使转速调节器10对第一电机9的转速进行调节,在胶带完成分切以后由收卷辊19收卷。
综上所述:该基于PLC控制系统的全自动胶带分切机,通过工作台1、电动推杆2、电动推杆开关3、固定板4、轴承5、转杆6、切割刀片7、转速检测器8、第一电机9、转速调节器10、第一电机开关11、小竖杆12、大竖杆13、支撑板14、横杆15、第二电机16、支撑杆17、第二电机开关18、收卷辊19、框架20、红外检测器21和PLC控制系统22的配合使用,解决了在胶带分切操作中,在没有PLC控制系统22的情况下,常常会造成胶带分切混乱,需要多人进行手工操作,这就降低了工作效率,增加了大量的人力投入,提高了人们生产成本的问题。
尽管已经示出和描述了本实用新型的实施例,对于本领域的普通技术人员而言,可以理解在不脱离本实用新型的原理和精神的情况下可以对这些实施例进行多种变化、修改、替换和变型,本实用新型的范围由所附权利要求及其等同物限定。
技术特征:
1.一种基于PLC控制系统的全自动胶带分切机,包括工作台(1),其特征在于:所述工作台(1)顶部的两侧均固定连接有电动推杆(2),所述电动推杆(2)底部的右侧设置有电动推杆开关(3),所述电动推杆(2)的顶端固定连接有固定板(4),所述固定板(4)的内部固定连接有轴承(5),两个固定板(4)之间设置有转杆(6),所述转杆(6)的两端均贯穿轴承(5),所述转杆(6)的表面固定连接有切割刀片(7),所述转杆(6)的左端延伸至轴承(5)的左侧并设置有转速检测器(8),所述转杆(6)的右侧延伸至轴承(5)的右侧并固定连接有第一电机(9),所述第一电机(9)的顶部设置有转速调节器(10),所述第一电机(9)的右侧设置有第一电机开关(11),所述第一电机(9)的底部固定连接有小竖杆(12),所述小竖杆(12)的底端套设有大竖杆(13),所述大竖杆(13)的底端与工作台(1)的顶部固定连接,所述工作台(1)顶部的两侧且位于电动推杆(2)的前侧固定连接有支撑板(14),所述支撑板(14)的左侧活动连接有横杆(15),所述横杆(15)的右端贯穿支撑板(14)并延伸至支撑板(14)的右侧,所述横杆(15)的右端固定连接有第二电机(16),所述第二电机(16)的底部固定连接有支撑杆(17),所述第二电机(16)的右侧设置有第二电机开关(18),所述横杆(15)的表面套设有收卷辊(19),所述工作台(1)的顶部且位于电动推杆(2)的背部固定连接有框架(20),所述框架(20)背部的左侧设置有红外检测器(21);
所述红外检测器(21)的输出端电连接有PLC控制系统(22),所述转速检测器(8)的输出端与PLC控制系统(22)的输入端电连接,所述PLC控制系统(22)的输出端分别与转速调节器(10)、第一电机开关(11)、第二电机开关(18)和电动推杆开关(3)的输入端电连接,所述转速调节器(10)和第一电机开关(11)的输出端均与第一电机(9)的输入端电连接,所述第二电机开关(18)的输出端与第二电机(16)的输入端电连接,所述电动推杆开关(3)的输出端与电动推杆(2)的输入端电连接。
2.根据权利要求1所述的一种基于PLC控制系统的全自动胶带分切机,其特征在于:所述收卷辊(19)的形状为圆柱形,所述收卷辊(19)的表面设置有防滑纹。
3.根据权利要求1所述的一种基于PLC控制系统的全自动胶带分切机,其特征在于:所述工作台(1)底部的两侧均固定连接有支腿(23),所述支腿(23)的数量为四个。
4.根据权利要求1所述的一种基于PLC控制系统的全自动胶带分切机,其特征在于:所述切割刀片(7)的数量不少于8个,所述切割刀片(7)的形状为圆环形。
5.根据权利要求1所述的一种基于PLC控制系统的全自动胶带分切机,其特征在于:所述工作台(1)的顶部且位于框架(20)的内腔固定连接有斜板(24),所述斜板(24)的两侧与框架(20)的内壁固定连接。
技术总结
本实用新型公开了一种基于PLC控制系统的全自动胶带分切机,包括工作台,所述工作台顶部的两侧均固定连接有电动推杆,所述电动推杆底部的右侧设置有电动推杆开关,所述电动推杆的顶端固定连接有固定板。本实用新型通过工作台、电动推杆、电动推杆开关、固定板、轴承、转杆、切割刀片、转速检测器、第一电机、转速调节器、第一电机开关、小竖杆、大竖杆、支撑板、横杆、第二电机、支撑杆、第二电机开关、收卷辊、框架、红外检测器和PLC控制系统的配合使用,能够对分切机进行全自动化管理,使分切机根据各种程序和指令进行有序工作,大大提高了胶带分切效率,降低了人工投入成本和管理成本,也方便人们对分切机控制和调试。
技术研发人员:邱双春
受保护的技术使用者:东莞市长荣胶粘科技有限公司
技术研发日:2018.09.11
技术公布日:2019.04.30